EasyManua.ls Logo

Panasonic CS-E12EKEB - Cu-C9 Ekeb Cu-C12 Ekeb

Panasonic CS-E12EKEB
62 pages
Print Icon
To Next Page IconTo Next Page
To Next Page IconTo Next Page
To Previous Page IconTo Previous Page
To Previous Page IconTo Previous Page
Loading...
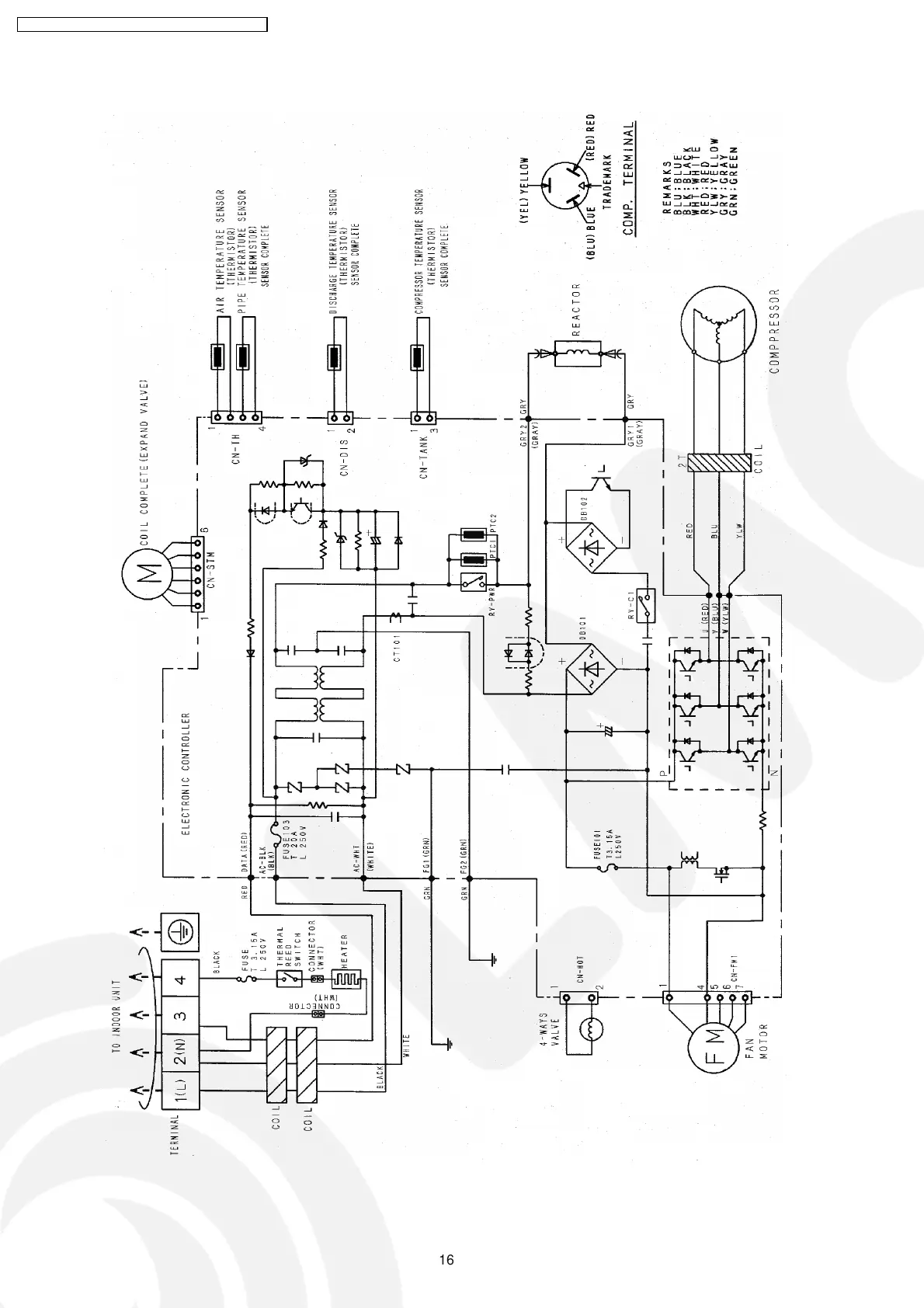
8.2. CU-C9EKEB CU-C12EKEB
16
CS-E9EKEB CU-E9EKEB / CS-E12EKEB CU-E12EKEB

Table of Contents

Related product manuals