EasyManua.ls Logo

Panasonic CS-E12EKEB - Outdoor Unit

Panasonic CS-E12EKEB
62 pages
Print Icon
To Next Page IconTo Next Page
To Next Page IconTo Next Page
To Previous Page IconTo Previous Page
To Previous Page IconTo Previous Page
Loading...
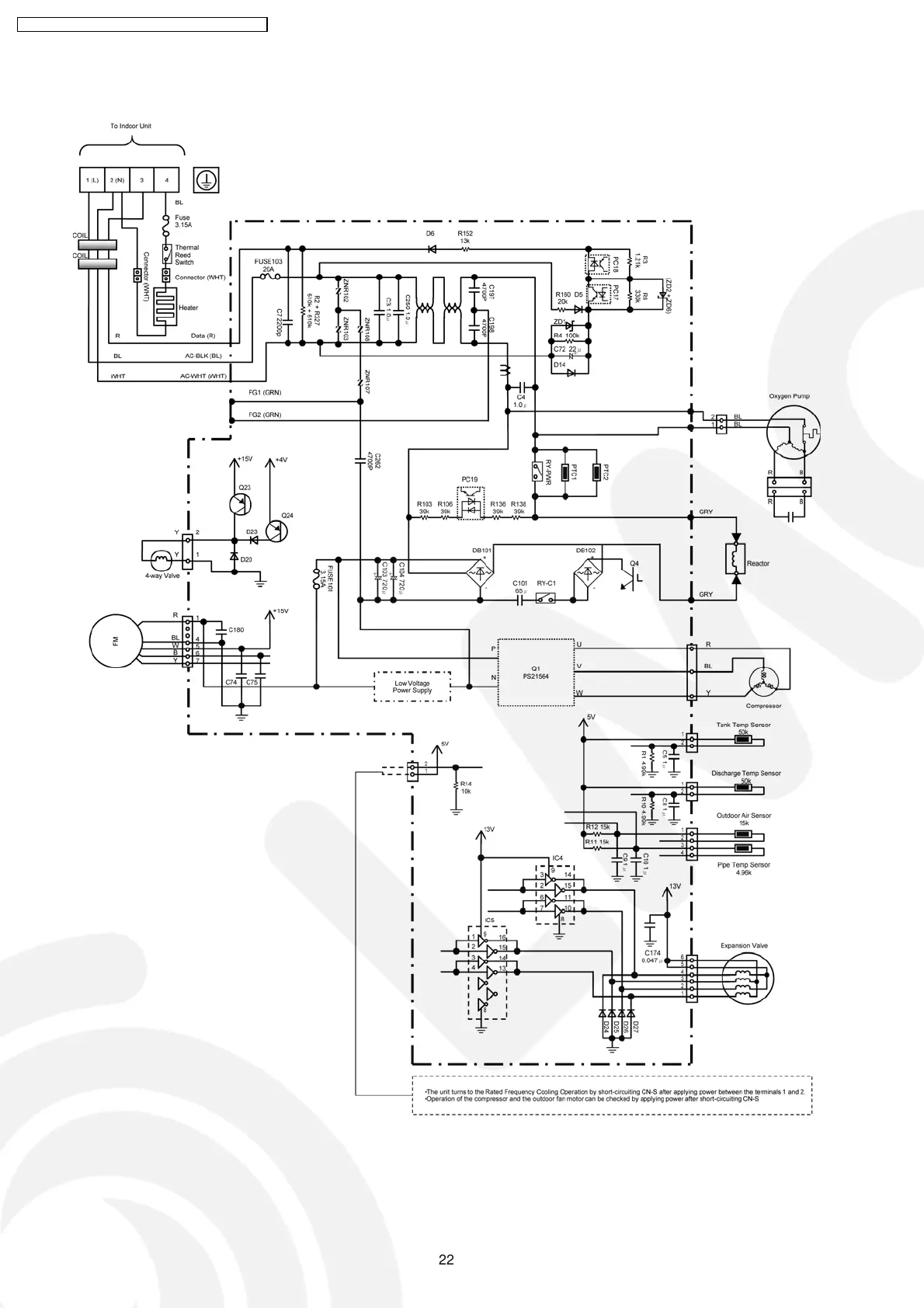
10.2. Outdoor Unit
22
CS-E9EKEB CU-E9EKEB / CS-E12EKEB CU-E12EKEB

Table of Contents

Related product manuals