EasyManua.ls Logo

Panasonic CS-E15NKEW - Page 52

Panasonic CS-E15NKEW
189 pages
Print Icon
To Next Page IconTo Next Page
To Next Page IconTo Next Page
To Previous Page IconTo Previous Page
To Previous Page IconTo Previous Page
Loading...
52
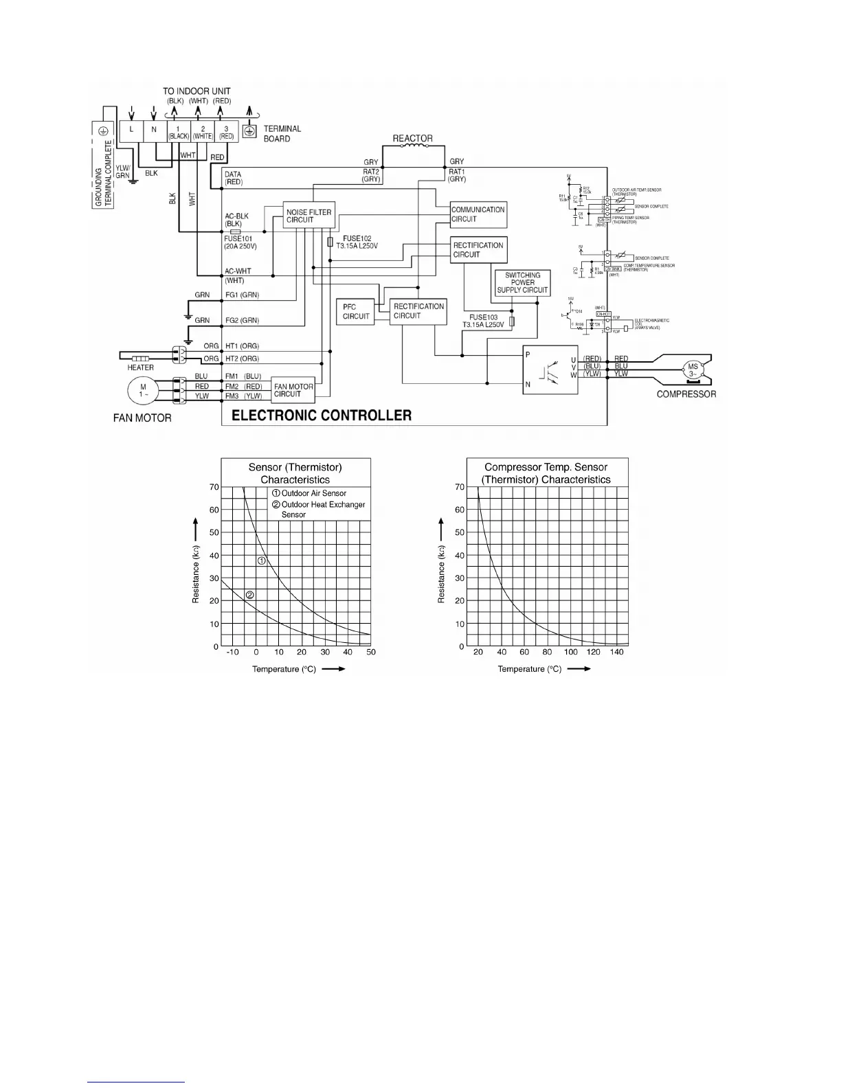
9.2.4 CU-E7NKE-3 CU-E9NKE-3 CU-E12NKE-3

Table of Contents

Other manuals for Panasonic CS-E15NKEW

Related product manuals