EasyManua.ls Logo

Panasonic CS-E18EKU - 7 Wiring Diagram; Cs-E18 Eku Cs-E21 Eku

Panasonic CS-E18EKU
33 pages
Print Icon
To Next Page IconTo Next Page
To Next Page IconTo Next Page
To Previous Page IconTo Previous Page
To Previous Page IconTo Previous Page
Loading...
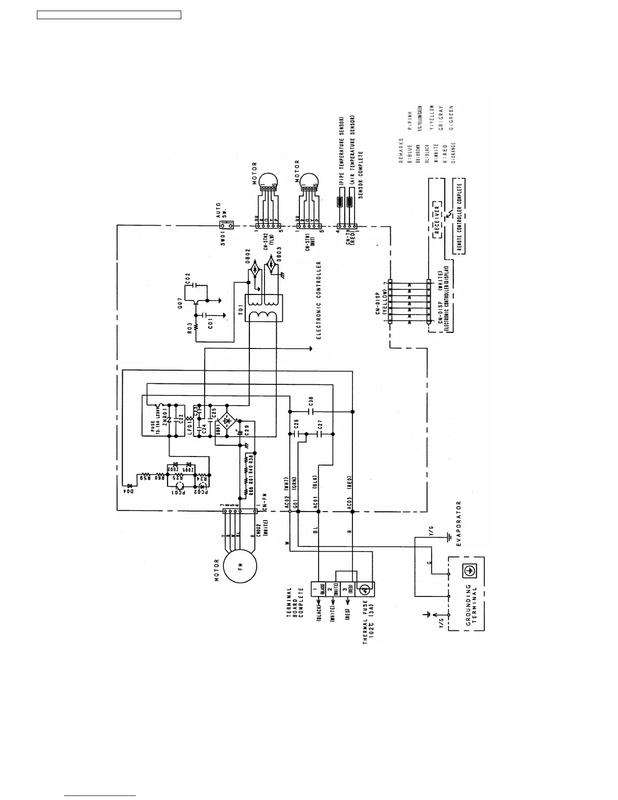
7 Wiring Diagram
7.1. CS-E18EKU CS-E21EKU
14
CS-E18EKU CU-E18EKU / CS-E21EKU CU-E21EKU

Related product manuals