EasyManua.ls Logo

Panasonic CS-E18GFEW - Outdoor Unit

Panasonic CS-E18GFEW
94 pages
Print Icon
To Next Page IconTo Next Page
To Next Page IconTo Next Page
To Previous Page IconTo Previous Page
To Previous Page IconTo Previous Page
Loading...
31
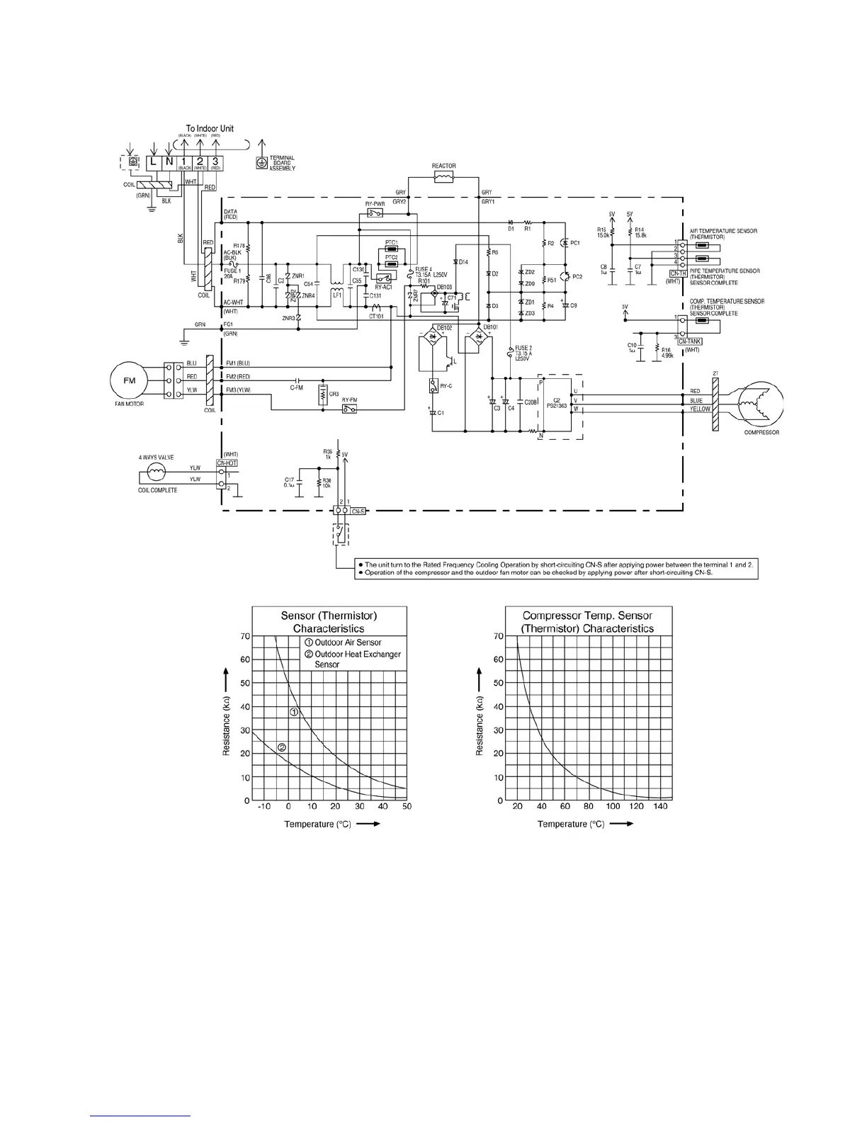
8.2. Outdoor Unit
8.2.1. CU-E9GFE CU-E12GFE

Table of Contents

Other manuals for Panasonic CS-E18GFEW

Related product manuals