EasyManua.ls Logo

Panasonic CS-E7JKEW - Page 44

Panasonic CS-E7JKEW
162 pages
Print Icon
To Next Page IconTo Next Page
To Next Page IconTo Next Page
To Previous Page IconTo Previous Page
To Previous Page IconTo Previous Page
Loading...
44
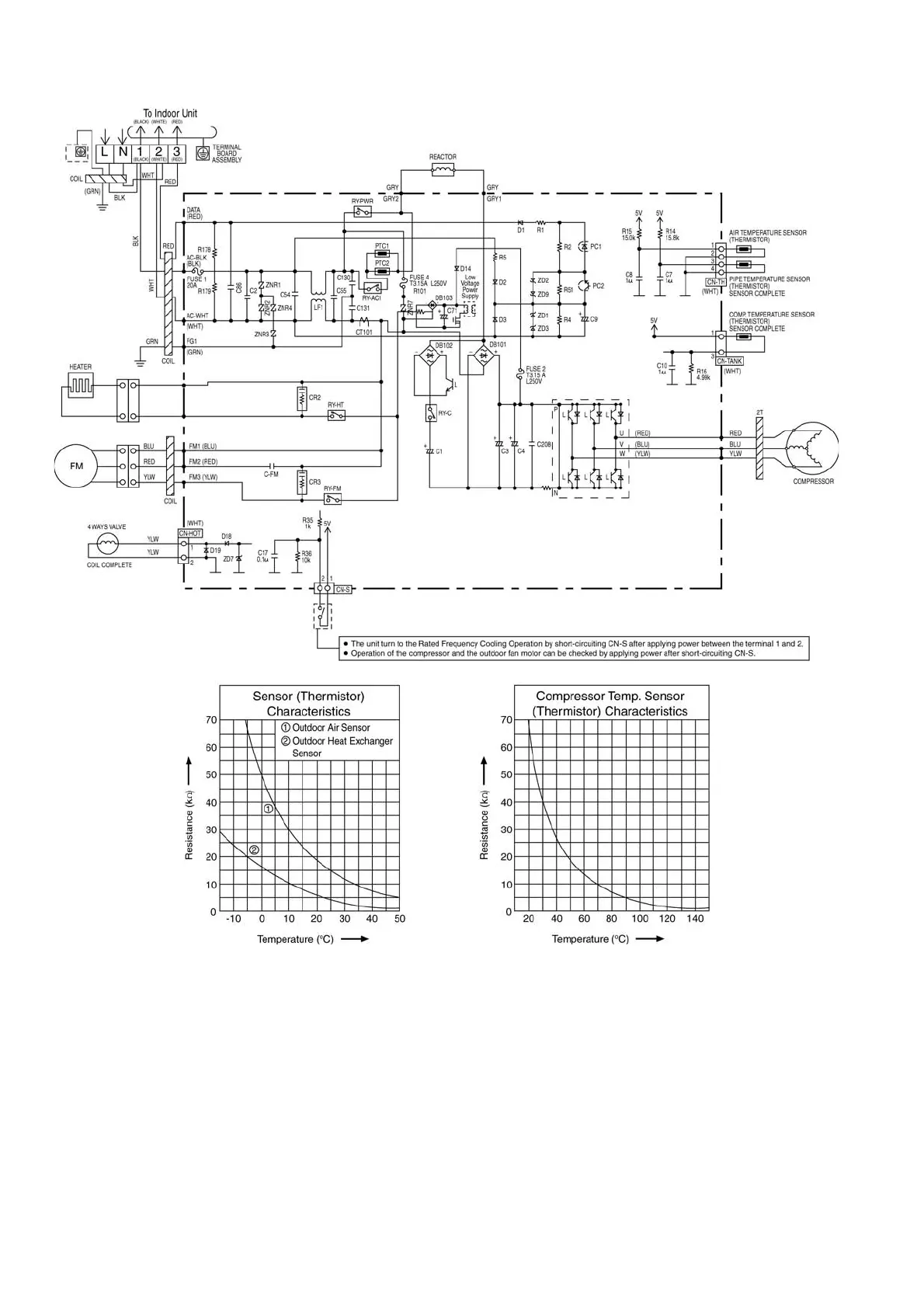
9.2.3. CU-E7JKE-3 CU-E9JKE-3 CU-E12JKE-3

Table of Contents

Other manuals for Panasonic CS-E7JKEW

Related product manuals