EasyManua.ls Logo

Panasonic CS-E7NKDW - Outdoor Unit

Panasonic CS-E7NKDW
145 pages
Print Icon
To Next Page IconTo Next Page
To Next Page IconTo Next Page
To Previous Page IconTo Previous Page
To Previous Page IconTo Previous Page
Loading...
34
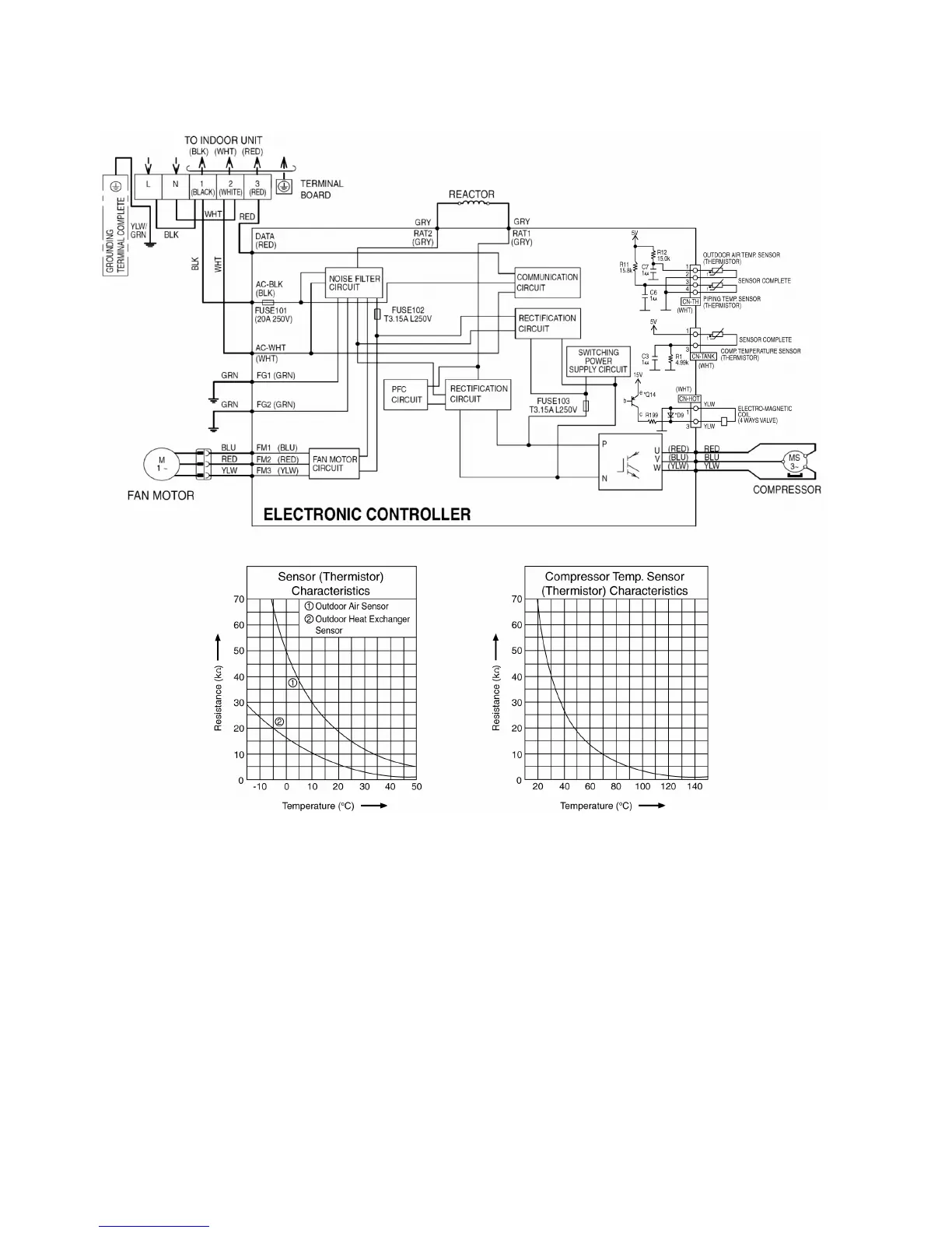
9.2 Outdoor Unit
9.2.1 CU-E7NKD CU-E9NKD CU-E12NKD CU-E15NKD

Table of Contents

Related product manuals