EasyManua.ls Logo

Panasonic CS-F28DB4E5 - 6 Block Diagram; Cs-F24 Db4 E5 Cs-F28 Db4 E5 Cs-F34 Db4 E5 Cs-F43 Db4 E5 Cs-F50 Db4 E5; Cu-B24 Dbe5 Cu-B28 Dbe5; Cu-B34 Dbe5

Panasonic CS-F28DB4E5
156 pages
To Next Page IconTo Next Page
To Next Page IconTo Next Page
To Previous Page IconTo Previous Page
To Previous Page IconTo Previous Page
Loading...
23
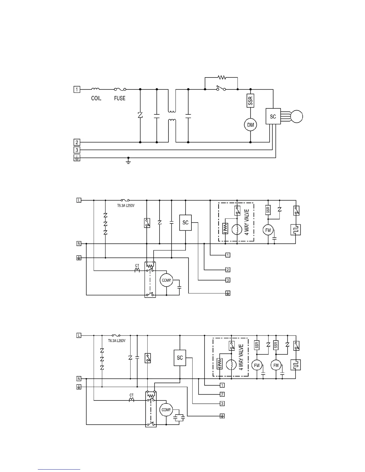
6 Block Diagram
6.1. CS-F24DB4E5 CS-F28DB4E5
CS-F34DB4E5 CS-F43DB4E5 CS-F50DB4E5
6.2. CU-B24DBE5 CU-B28DBE5
6.3. CU-B34DBE5

Table of Contents

Other manuals for Panasonic CS-F28DB4E5

Related product manuals