EasyManua.ls Logo

Panasonic CS-PS36RKV

Panasonic CS-PS36RKV
71 pages
To Next Page IconTo Next Page
To Next Page IconTo Next Page
To Previous Page IconTo Previous Page
To Previous Page IconTo Previous Page
Loading...
14
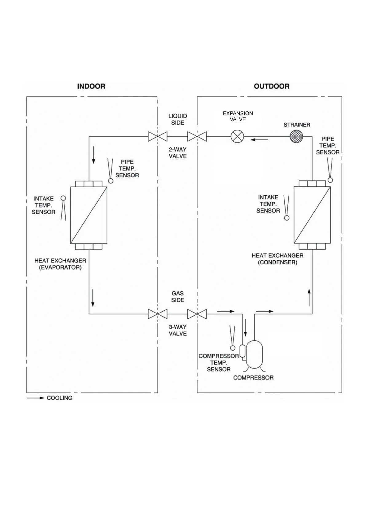
5. Refrigeration Cycle Diagram
5.1 CS-PS36RKV CU-PS36RKV
10

Table of Contents

Other manuals for Panasonic CS-PS36RKV

Related product manuals