EasyManua.ls Logo

Panasonic CS-PW9DKE

Panasonic CS-PW9DKE
64 pages
To Next Page IconTo Next Page
To Next Page IconTo Next Page
To Previous Page IconTo Previous Page
To Previous Page IconTo Previous Page
Loading...
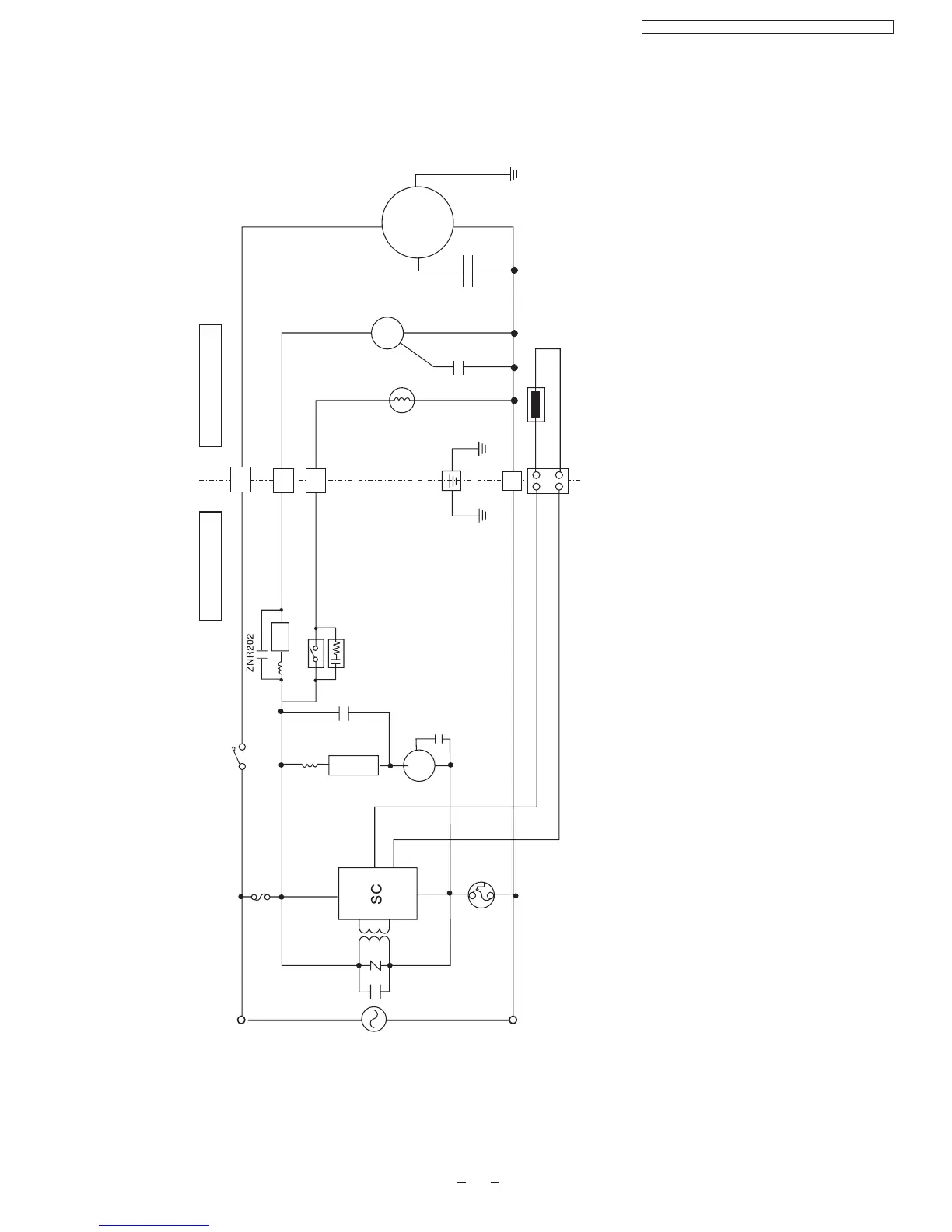
CS-PW9DKE/CU-PW9DKE
6 Block Diagram
13
CS-PW12DKE/CU-PW12DKE
CS-PW9DKE / CU-PW9DKE / CS-PW12DKE / CU-PW12DKE
FM
FM
2
CR
3
4
1
RY-HOT
SSR
SSR
FUSE
RY-PWR
OUTDOOR UNIT
4-Valve
Compressor
Piping Sensor
INDOOR UNIT
POWER SUPPLY
AC230V 50Hz

Related product manuals