EasyManua.ls Logo

Panasonic CS-PW9DKE

Panasonic CS-PW9DKE
64 pages
To Next Page IconTo Next Page
To Next Page IconTo Next Page
To Previous Page IconTo Previous Page
To Previous Page IconTo Previous Page
Loading...
CS-PW9DKE/CU-PW9DKE
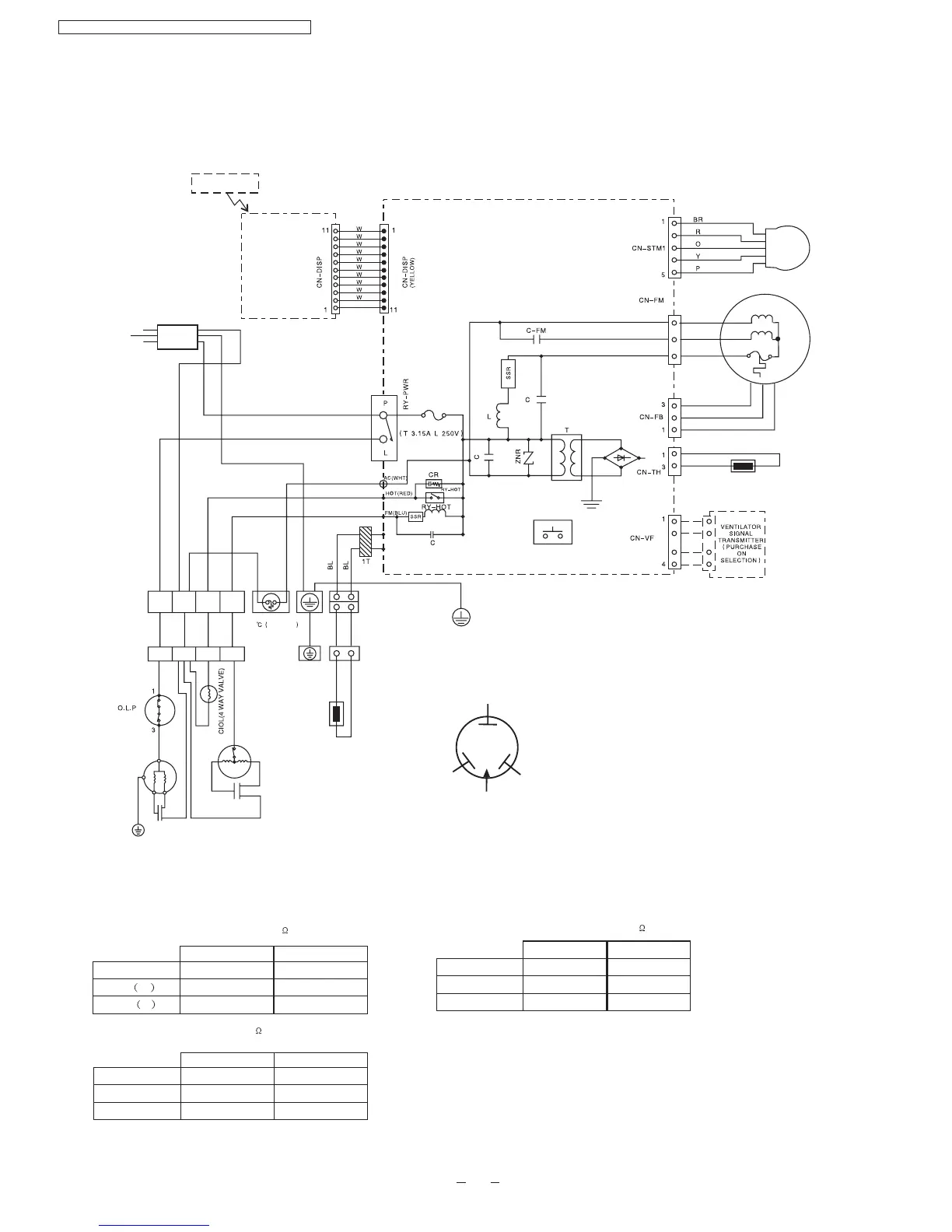
7 Wiring Diagram
14
CS-PW12DKE/CU-PW12DKE
CS-PW9DKE / CU-PW9DKE / CS-PW12DKE / CU-PW12DKE
COMPRESSOR TERMINAL
BR
BL
W
R
B
B
Y/G
INDOOR UNIT
TERMINAL BOARD
FUSE
102 250V 3A
YW
B
B
B
Y
Y
R
Y/G
CAPACITOR
CAPACITOR
R
COMPRESSOR
FAN MOTOR
SENSOR(PIPING TEMP.)
Y/G
FUSE
ELECTRONIC CONTROLLER
1
3
5
B
R
Y
W
BR
BL
SENSOR(PIPING TEMP.)
INDOOR UNIT
POWER SUPPLY
CORD
POWER SUPPLY
CORD
AC 230V, 50Hz
AC 230V, 50Hz
STEPPING
MOTOR
OUTDOOR UNIT
TERMINAL BOARD
1(L) 2(N) 3 4
1(L) 2(N) 3 4
OUTDOOR UNIT
R : RED
BL : BLACK
B : BLUE
BR : BROWN
O : ORANGE
GRY : GREY
G : GREEN
Y : YELLOW
W : WHITE
Y/G : YELLOW/GREEN
P : PINK
YELLOW
RED
S
BLUE
R
C
TRADE MARK
AUTO SWITCH
FAN MOTOR
Indicator
Complete
Wireless
Remote Control
C-R
C-S
INDOOR FAN MOTOR RESISTANCE( )
CONNECTING
Y-B M
Y-R A
CS-PW9DKE
CWA921098
324
290.5
COMPRESSOR RESISTANCE( )
CONNECTING
CWB092240
3.309
3.863
CWA951440
Y-B
Y-R
OUTDOOR FAN MOTOR RESISTANCE( )
CONNECTING
275
252
CS-PW12DKE
CWA921098
324
290.5
CWA951440
275
252
CWB092241
2.798
5.432
CS-PW9DKE CS-PW12DKE
CS-PW9DKE CS-PW12DKE

Related product manuals