EasyManua.ls Logo

Panasonic CS-TZ60TKEW

Panasonic CS-TZ60TKEW
140 pages
To Next Page IconTo Next Page
To Next Page IconTo Next Page
To Previous Page IconTo Previous Page
To Previous Page IconTo Previous Page
Loading...
27
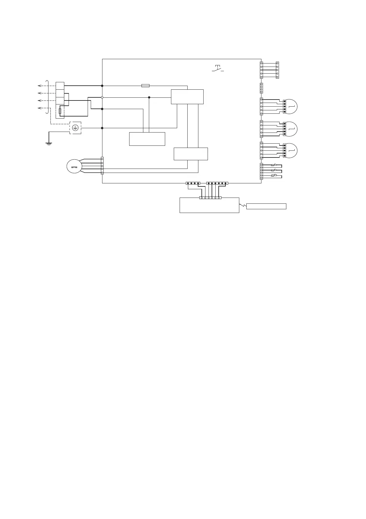
9. Wiring Connection Diagram
9.1 Indoor Unit
GROUNDING
TERMINAL
Y/G
G
EVAPORATOR
FAN MOTOR
BL
BL
W
W
B
R
R
Y
W WWWWW
7
4
1
6
6
114
1
TO OUTDOOR UNIT
TERMINAL
BOARD
AC306 (BLK)
AC303 (WHT)
AC304 (RED)
G301 (GRN)
CN-FM
(WHT)
FUSE301
T3.15A L250V
SW01
CN-DISP
(YLW)
CN-RCV
(YLW)
ELECTRONIC CONTROLLER
(MAIN)
REMOTE CONTROLLER
TEMP. FUSE
102ºC (3A)
NOISE FILTER
CIRCUIT
COMMUNICATION
CIRCUIT
4
1
CN-RMT
(WHT)
CN-DISP (WHT)
ELECTRONIC CONTROLLER
(DISPLAY & RECEIVER)
RECTIFICATION
CIRCUIT
5
1
5
1
5
1
5
1
CN-STM1
(WHT)
UP DOWN
LOUVER MOTOR (OUTER)
UP DOWN
LOUVER MOTOR (INNER)
5
5
1
1
CN-STM3
(BLU)
CN-STM2
(YLW)
LEFT RIGHT
LOUVER MOTOR
6
1
CN-TH
(RED)
PIPING TEMP. SENSOR 2 (THERMISTOR)
PIPING TEMP. SENSOR 1 (THERMISTOR)
SUCTION TEMP. SENSOR (THERMISTOR)
SENSOR COMPLETE
5
1
5
1
CN-CNT
(WHT)
REMARKS :
B : BLUE P : PINK
BR : BROWN O : ORANGE
BL : BLACK Y : YELLOW
W : WHITE G : GREEN
R : RED GR : GRAY
Y/G : YELLOW/GREEN
M
1
2
3
M
M
M
GR
W
G
Y
BR
BR
R
Y
P
O
BR
R
Y
P
O
BR
R
Y
P
O

Table of Contents

Other manuals for Panasonic CS-TZ60TKEW

Related product manuals