EasyManua.ls Logo

Panasonic CS-UE12RKE - 8 Wiring Connection Diagram; Indoor Unit

Panasonic CS-UE12RKE
125 pages
To Next Page IconTo Next Page
To Next Page IconTo Next Page
To Previous Page IconTo Previous Page
To Previous Page IconTo Previous Page
Loading...
23
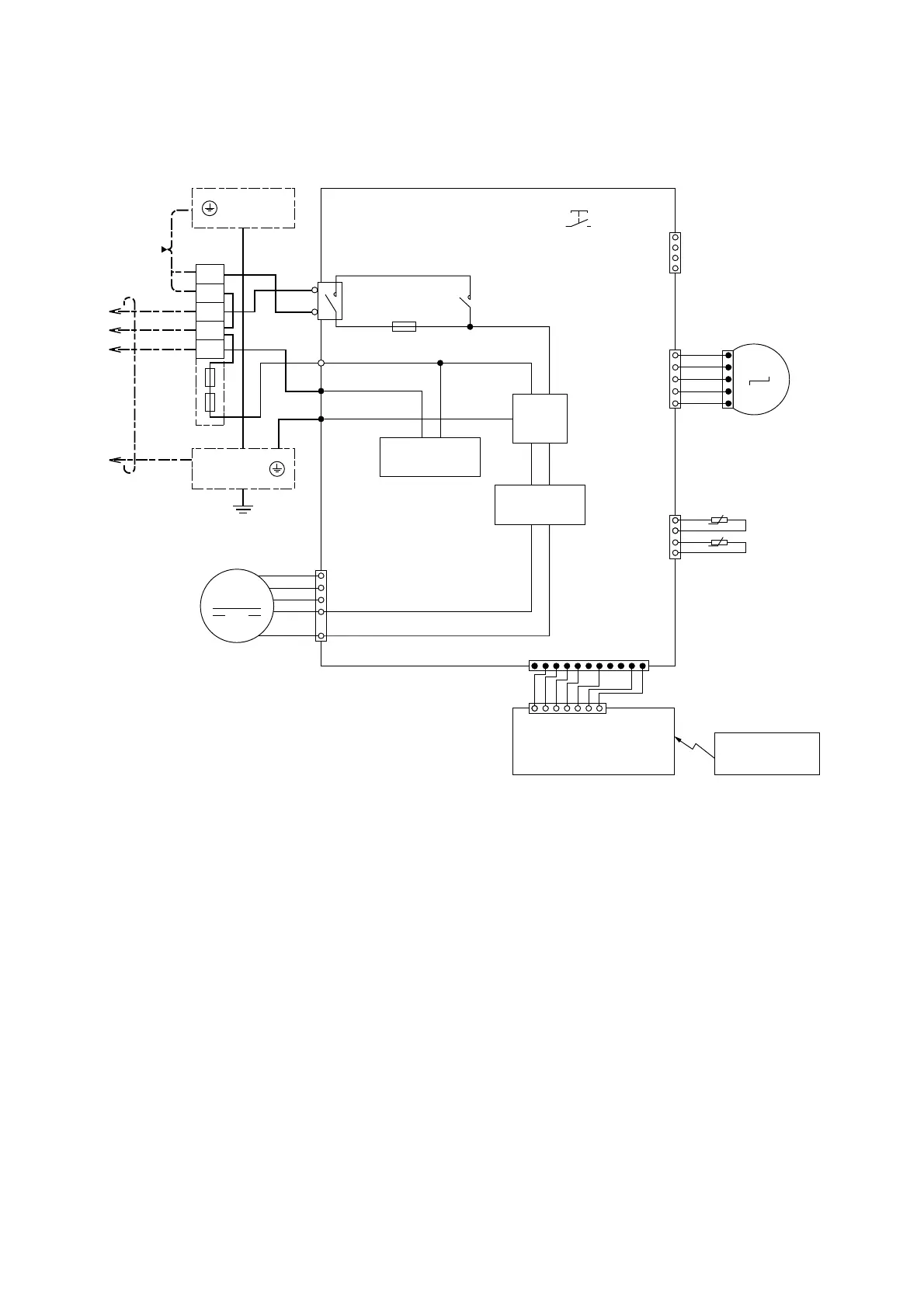
8. Wiring Connection Diagram
8.1 Indoor Unit
8.1.1 CS-PE9RKE CS-PE12RKE CS-UE9RKE CS-UE12RKE
FAN MOTOR
CN-FM (WHT)
Y
7
4
1
B
W
BL
R
M
FUSE301
T3.15A L250V
RY-PWR
RY-PWR2
Y/G
Y/G
TEMP.
FUSE
102°C (3A)
TEMP.
FUSE
102°C (3A)
EVAPORATOR
1
2
3
AC303
(WHT)
AC304
(RED)
G301
(GRN)
GROUNDING
TERMINAL
L
R
W
G
P
BL
BR
TERMINAL
BOARD
GROUNDING
TERMINAL
L
N
SINGLE PHASE
POWER SUPPLY
230V 50Hz
ELECTRONIC CONTROLLER
(MAIN)
UP DOWN
LOUVER MOTO
R
CN-STM1
(WHT)
BR
1
5
1
5
R
O
M
Y
P
REMARKS
B : BLUE P: PINK
BR: BROWN O: ORANGE
BL: BLACK Y: YELLOW
W: WHITE G: GREEN
R: RED Y/G: YELLOW/GREEN
CN-DISP (YLW)
CN-DISP
(WHT)
ELECTRONIC CONTROLLER
(DISPLAY & RECEIVER)
17
111
WWWWWWW
COMMUNICATION
CIRCUIT
TO
OUTDOOR
UNIT
PIPING TEMP. SENSOR
(THERMISTOR)
SUCTION TEMP. SENSOR
(THERMISTOR)
4
1
CN-TH
(RED)
t
0
t
0
CN-RMT
(WHT)
4
1
REMOTE
CONTROLLER
SW01
NOISE
FILTER
CIRCUIT
RECTIFICATION
CIRCUIT

Table of Contents

Other manuals for Panasonic CS-UE12RKE

Related product manuals