EasyManua.ls Logo

Panasonic CS-UE12RKE - Outdoor Unit

Panasonic CS-UE12RKE
125 pages
To Next Page IconTo Next Page
To Next Page IconTo Next Page
To Previous Page IconTo Previous Page
To Previous Page IconTo Previous Page
Loading...
29
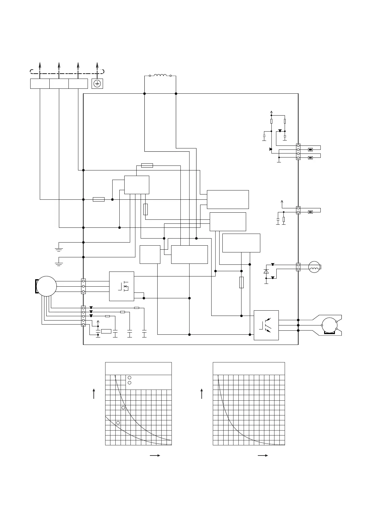
9.2 Outdoor Unit
9.2.1 CU-PE9RKE CU-PE12RKE CU-UE9RKE CU-UE12RKE
Sensor (Thermistor)
Characteristics
70
60
50
40
30
20
10
0
-10 0 10
Temperature (
o
C)
Resistance (kΩ)
20 30 40 50
1
2
1
2
Outdoor Air Sensor
Outdoor Heat Exchanger
Sensor
Compressor Temp. Sensor
(Thermistor) Characteristics
70
60
50
40
30
20
10
0
20 40 60
Temperature (
o
C)
Resistance (kΩ)
80 100 120 140
TERMINAL
BOARD
TO INDOOR UNIT
COMPRESSOR
AC-WHT
(WHT)
CN-MTR1
CN-MTR2
(WHT)
IC19
FG1
(GRN)
FG2
(GRN)
GRN
BLK
WHT
GRN
AC-BLK
(BLK)
DATA
(RED)
RED
GRY
RAT2
(GRY)
GRY
RAT1
(GRY)
REACTOR
RED
BLU
YLW
U (RED)
FUSE103
T3.15A L250V
V (BLU)
W (YLW)
U
V
W
3
5
1
10
14
16
P
N
SWITCHING
POWER
SUPPLY CIRCUIT
FUSE102
T3.15A L250V
FUSE101
(20A 250V)
321
COMMUNICATION
CIRCUIT
PFC
CIRCUIT
W
U
V
ELECTRONIC
CONTROLLER
MS
3 ~
FUSE104
(15A 250V)
NOISE
FILTER
CIRCUIT
RECTIFICATION
CIRCUIT
RECTIFICATION
CIRCUIT
TANK TEMP.
SENSOR (50kΩ 3950)
1
3
CN-TANK WHITE
5V
G8
R1
4.99k
1%
G8
C3
10V
Q1
CN-TH WHITE
OUTDOOR TEMP.
SENSOR (15kΩ 3950)
PIPE TEMP.
SENSOR1 (4.96kΩ 3800)
5V
4
3
2
1
G8
G8
G8
R12
15.0k
1%
R11
15.8k
1%
C7
10V
C6
10V
277
541
FAN MOTOR
158
159
160
5
4
3
2
1
C173
5V
R105
1k
C176
0.01µ
50V
G5
R111
1k
C177
0.01µ
50V
G5
R120
1k
C175
0.01µ
50V
G5G5
+
4-WAYS VALVE
1
3
D9
G2
CN-HOT
295
296
MS
3 ~

Table of Contents

Other manuals for Panasonic CS-UE12RKE

Related product manuals