EasyManua.ls Logo

Panasonic CS-XE9DKE

Panasonic CS-XE9DKE
108 pages
To Next Page IconTo Next Page
To Next Page IconTo Next Page
To Previous Page IconTo Previous Page
To Previous Page IconTo Previous Page
Loading...
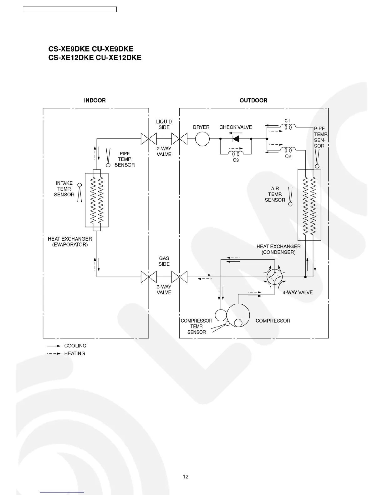
5 Refrigeration Cycle Diagram
12
CS-XE9DKE CU-XE9DKE / CS-XE12DKE CU-XE12DKE

Table of Contents

Other manuals for Panasonic CS-XE9DKE

Related product manuals