EasyManua.ls Logo

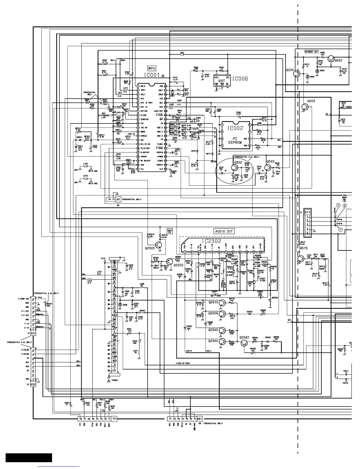
Panasonic CT-2707DF - A-Board Schematics; A-Board Schematics by Model

Panasonic CT-2707DF
54 pages
Print Icon
To Next Page IconTo Next Page
To Next Page IconTo Next Page
To Previous Page IconTo Previous Page
To Previous Page IconTo Previous Page
Loading...
- 34 -
ABoard

Related product manuals