EasyManua.ls Logo

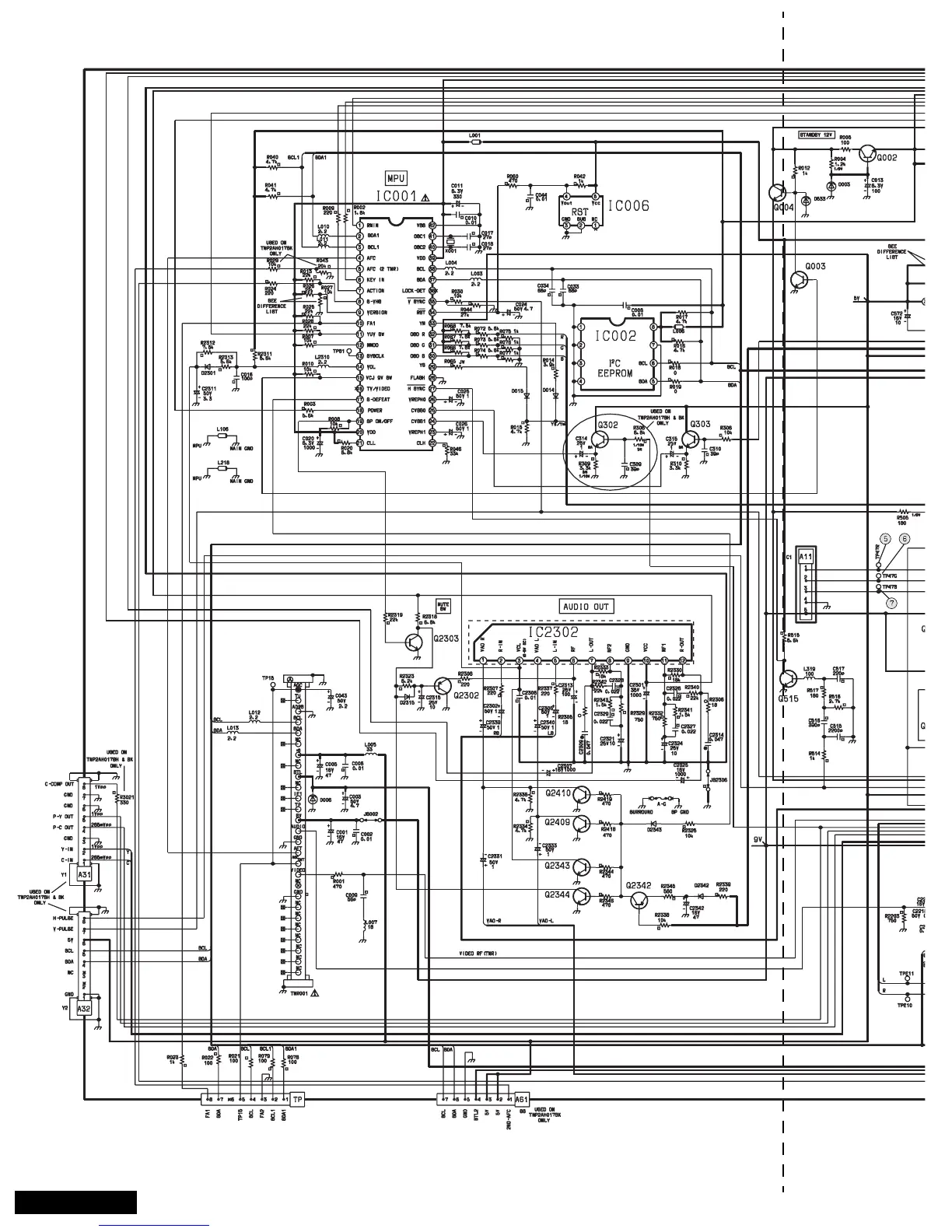
Panasonic CT-2707DF - Tnp2 Ah017 Bh, Tnp2 Ah017 Bk Tnp2 Ah017 Bl

Panasonic CT-2707DF
54 pages
Print Icon
To Next Page IconTo Next Page
To Next Page IconTo Next Page
To Previous Page IconTo Previous Page
To Previous Page IconTo Previous Page
Loading...
- 39 -
ABoard

Related product manuals