EasyManua.ls Logo

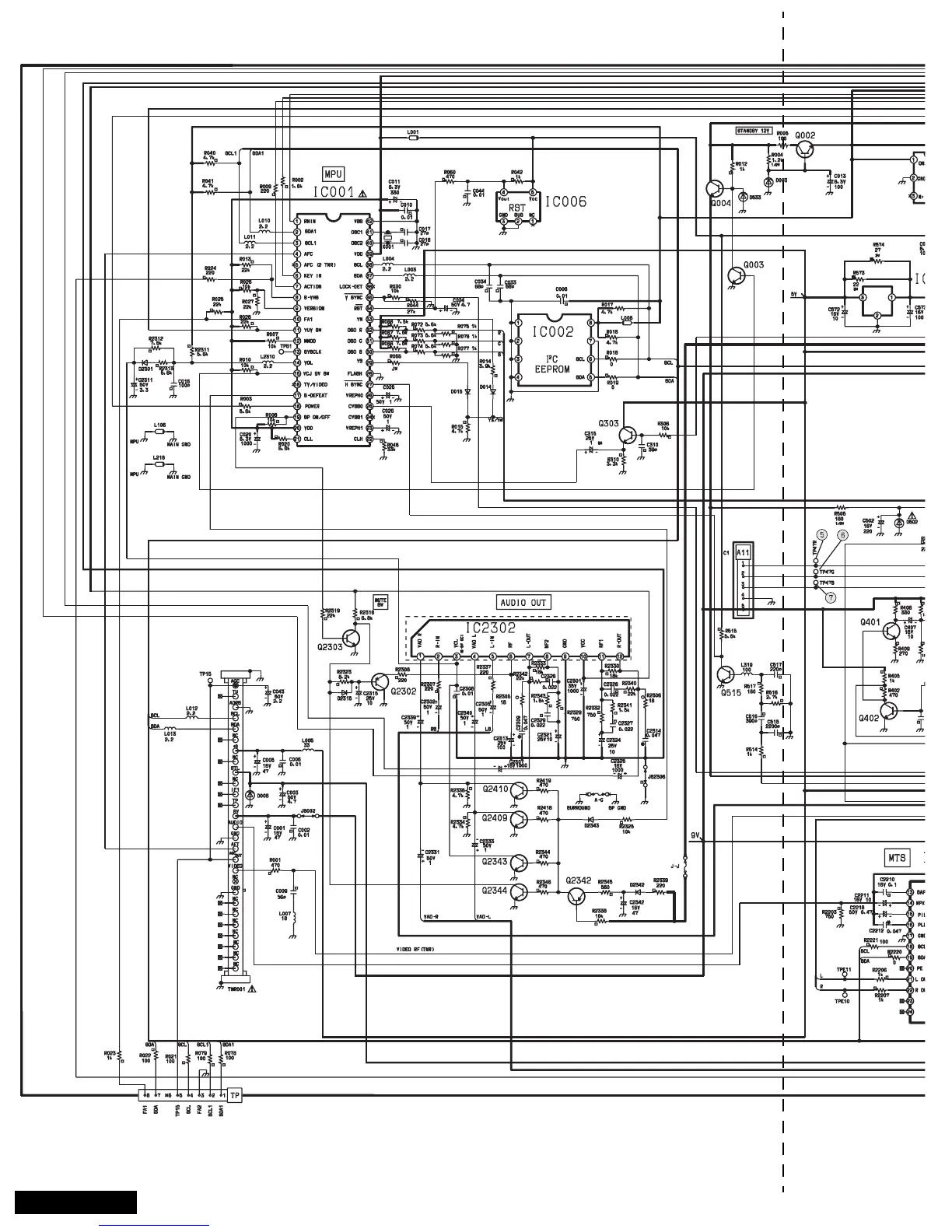
Panasonic CT-2707DF - Tnp2 Ah017 Bj

Panasonic CT-2707DF
54 pages
Print Icon
To Next Page IconTo Next Page
To Next Page IconTo Next Page
To Previous Page IconTo Previous Page
To Previous Page IconTo Previous Page
Loading...
- 44 -
ABoard

Related product manuals