EasyManua.ls Logo

Panasonic CT-2707DF - Page 43

Panasonic CT-2707DF
54 pages
Print Icon
To Next Page IconTo Next Page
To Next Page IconTo Next Page
To Previous Page IconTo Previous Page
To Previous Page IconTo Previous Page
Loading...
- 43 -
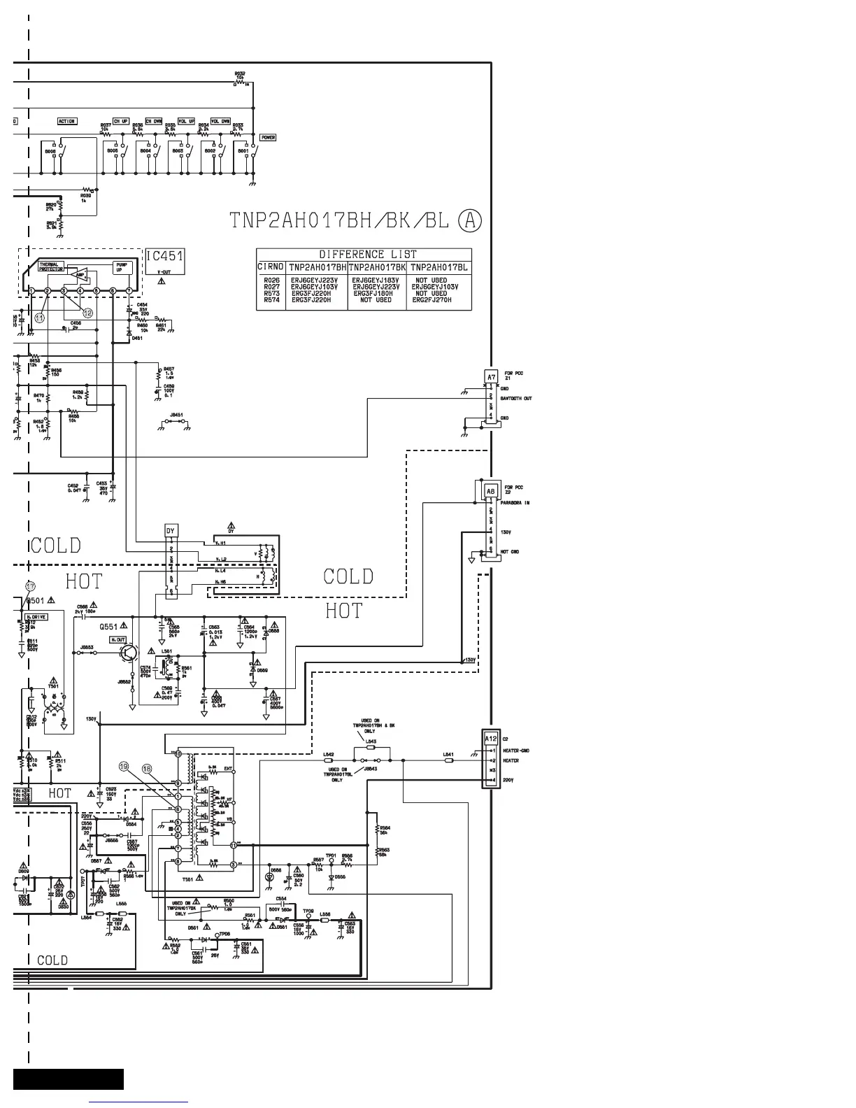
ABoard

Related product manuals