EasyManua.ls Logo

Panasonic CU-3KE19NBU - 6. ELECTRICAL DATA; Electric Wiring Diagrams

Panasonic CU-3KE19NBU
124 pages
Print Icon
To Next Page IconTo Next Page
To Next Page IconTo Next Page
To Previous Page IconTo Previous Page
To Previous Page IconTo Previous Page
Loading...
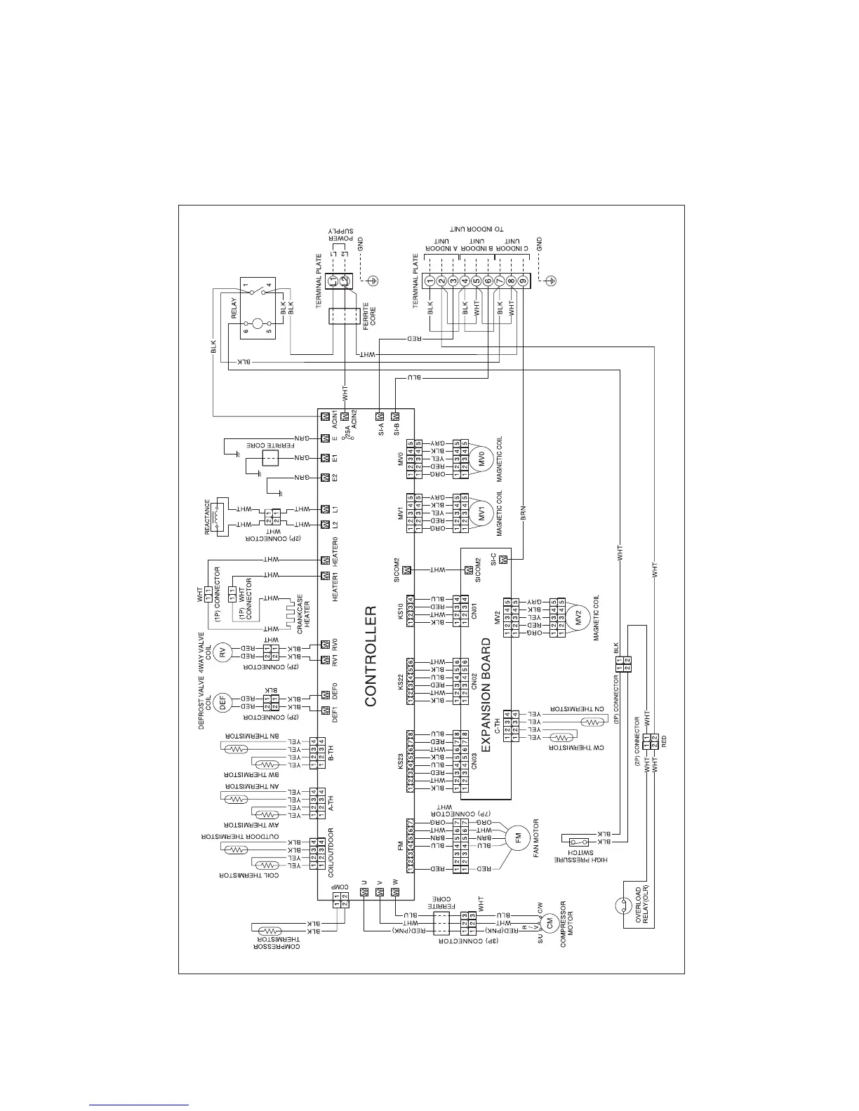
6. ELECTRICAL DATA
6-1. Electric Wiring Diagrams
Outdoor Unit CU-3KE19NBU
8FA2-5251-11700-1
68

Table of Contents

Related product manuals