EasyManua.ls Logo

Panasonic CU-3KE19NBU - Page 70

Panasonic CU-3KE19NBU
124 pages
Print Icon
To Next Page IconTo Next Page
To Next Page IconTo Next Page
To Previous Page IconTo Previous Page
To Previous Page IconTo Previous Page
Loading...
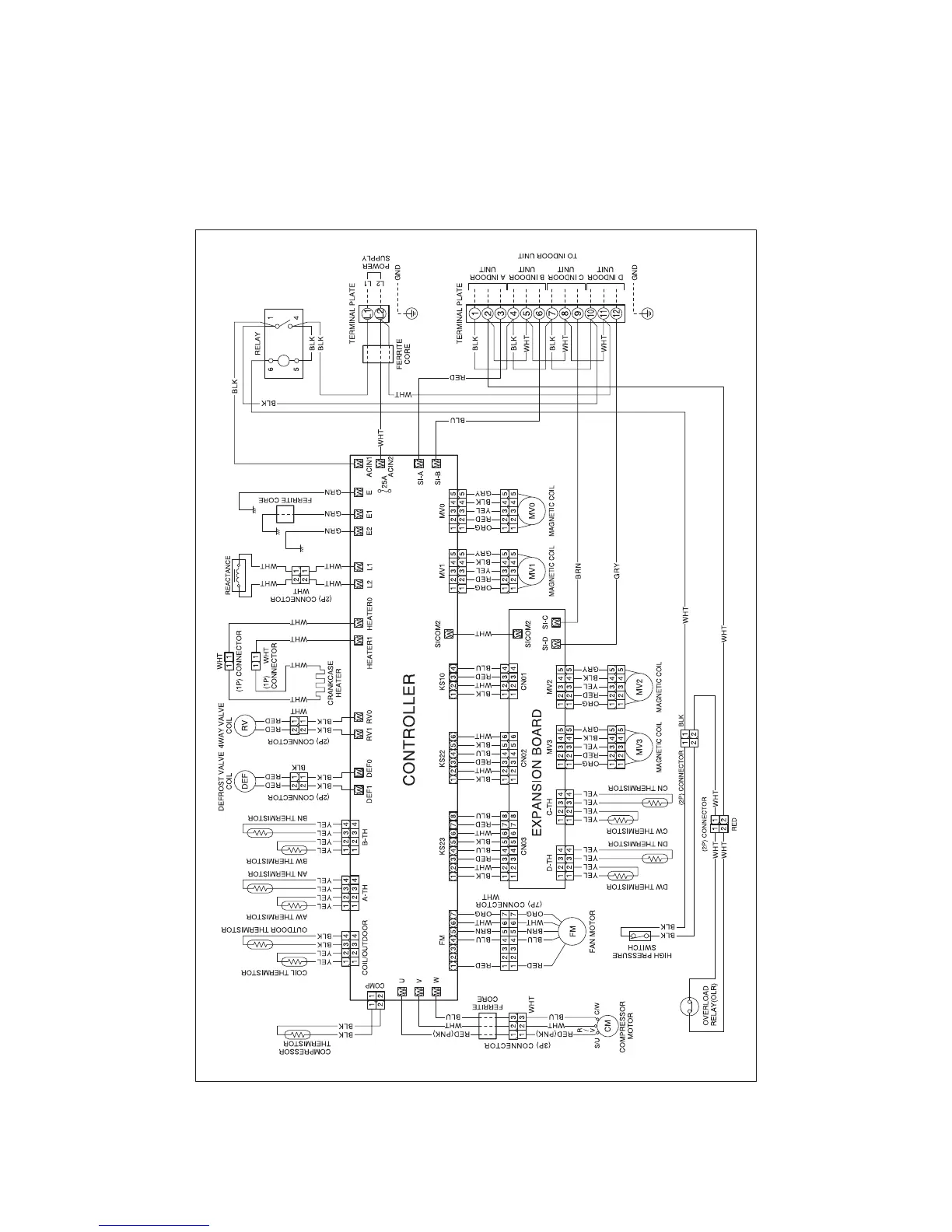
Outdoor Unit CU-4KE31NBU
8FA2-5251-11300-1
70

Table of Contents

Related product manuals