EasyManua.ls Logo

Panasonic CU-B14DBE5 - Block Diagram; Cs-F18 Dte5; Cu-J18 Dbe5

Panasonic CU-B14DBE5
109 pages
Print Icon
To Next Page IconTo Next Page
To Next Page IconTo Next Page
To Previous Page IconTo Previous Page
To Previous Page IconTo Previous Page
Loading...
14
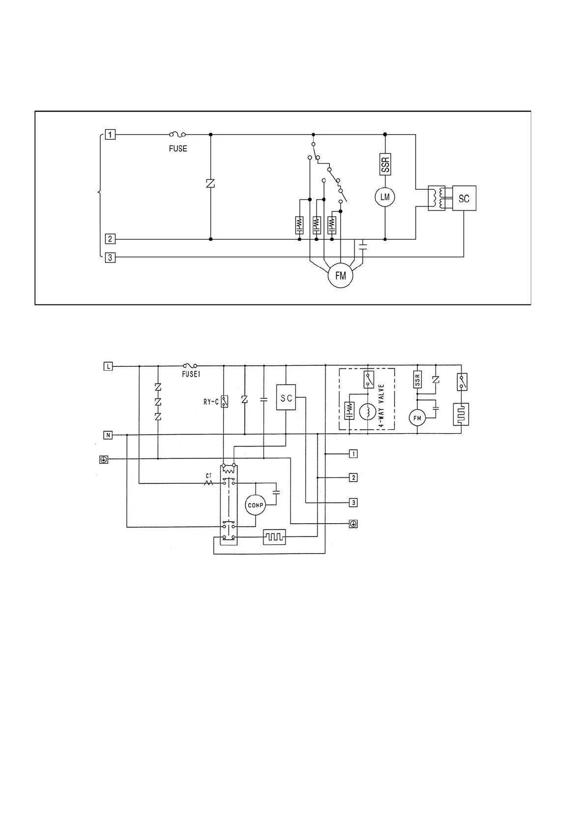
6 Block Diagram
6.1. CS-F18DTE5
6.2. CU-J18DBE5

Table of Contents

Other manuals for Panasonic CU-B14DBE5

Related product manuals