EasyManua.ls Logo

Panasonic CU-B14DBE5 - Page 50

Panasonic CU-B14DBE5
109 pages
Print Icon
To Next Page IconTo Next Page
To Next Page IconTo Next Page
To Previous Page IconTo Previous Page
To Previous Page IconTo Previous Page
Loading...
50
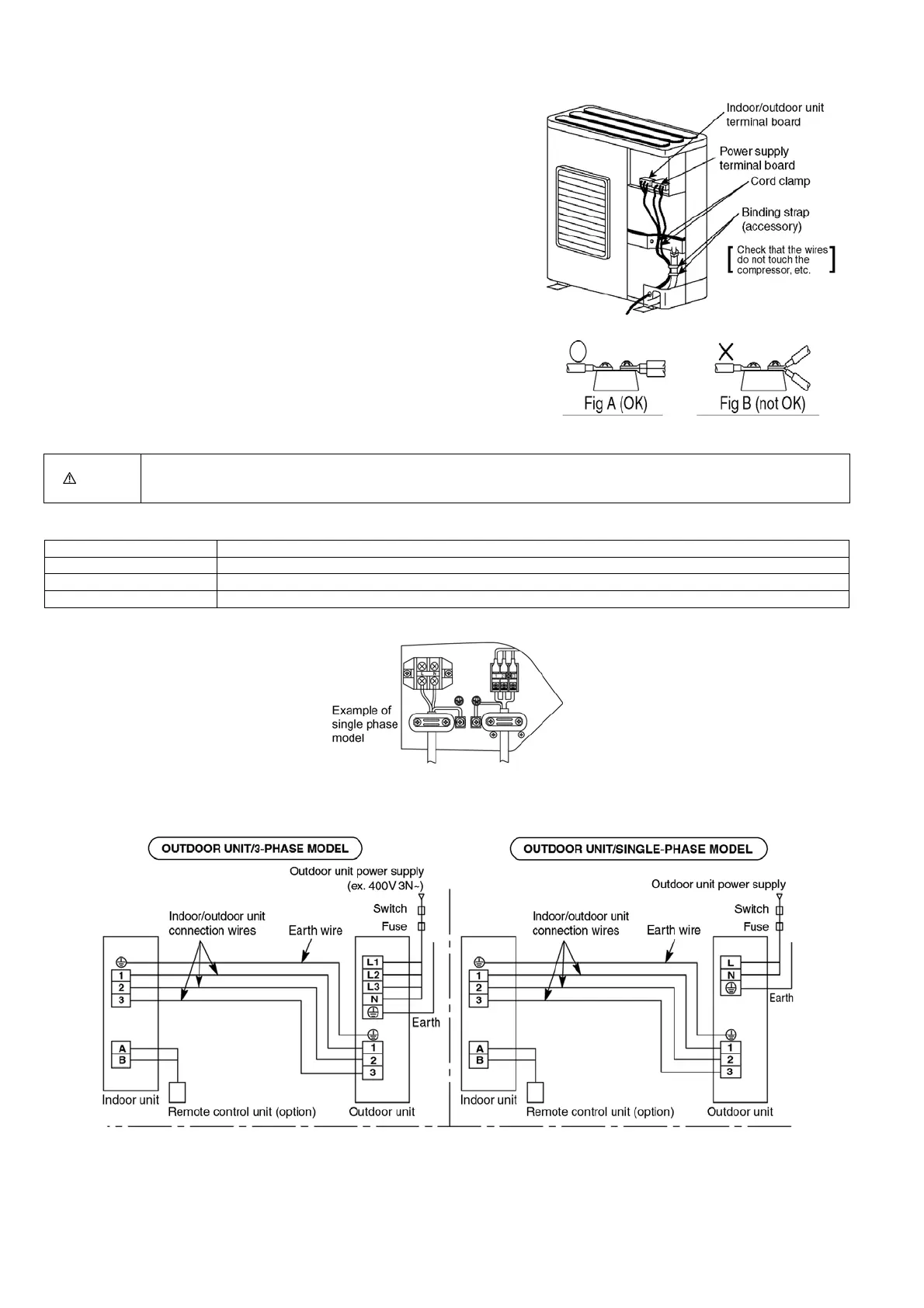
Earth lead wire shall be longer than other lead wires as shown in the figure for the electrical safety in case of the slipping out of the
cord from the anchorage.
1. Connect the power supply line to a 3-phase/380-415V (or single-phase 220-240V)
power supply.
2. The equipment shall be connected to a suitable mains network with a main imped-
ance less than the valve indicated in the table of power supply specifications.
3. Be sure to connect the wires correctly to terminal board with connecting the crimp
type ring terminal to the wires.
4. The binding screws inside the power supply box may become loosened due to
vibration during transportation, so check that they are tightened securely.
5. Tighten the binding screws to the specified torque while referring to the table below.
6. If connecting two separate wires to a single crimped terminal, place the two
crimped terminal wires together as shown in Fig. A. (If the arrangement shown in
Fig. B is used, poor contacts or contact damage may result.)
7. If momentarily turning on the power supply for both the indoor and outdoor units, do
not turn the power off again until at least 1 minute has passed (except when a
reversed phase has been detected).
Warning
Use only the specified cables for wiring connections. Connect the cable securely, and secure them properly so that no undue
force will be applied to the terminal connections.
If the terminals are loose or if the wires are not connected securely, fire may result.
Terminal screw Tightening torque N.cm {kgf.cm}
M3 69 ~ 98 {7 ~ 10}
M4 157 ~ 196 {16 ~ 20}
M5 196 ~ 245 {20 ~ 25}

Table of Contents

Other manuals for Panasonic CU-B14DBE5

Related product manuals