EasyManua.ls Logo

Panasonic CU-B28DBE5 - 12 Troubleshooting Guide; For Standard Installation

Panasonic CU-B28DBE5
156 pages
Print Icon
To Next Page IconTo Next Page
To Next Page IconTo Next Page
To Previous Page IconTo Previous Page
To Previous Page IconTo Previous Page
Loading...
100
12 Troubleshooting Guide
If test operation does not proceed correctly
If the following symptoms occur after turning on the power, check the wiring connections once more.
12.1. For standard installation
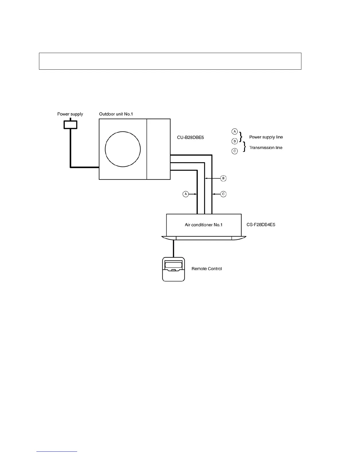
System example
1. The main power is turned on while the indoor-outdoor transmission wires are not connected.
(open circuit at A: power line)
Symptom
Indoor unit: no power supply
Remote control unit: no power supply
Outdoor unit: LED2, 4, 6 on P.C.B flashes
2. The main power is turned on while the indoor-outdoor transmission wires are not connected.
(open circuit at B: power/transmission line)
Symptom
Indoor unit: no power supply
Remote control unit: no power supply
Outdoor unit: LED2, 4, 6 on P.C.B flashes
3. The main power is turned on while the indoor-outdoor transmission wires are not connected.
(open circuit at C: transmission line)
Symptom
Remote control unit: “check” flashes
Error code: F27-01 (indoor/outdoor transmission error)
Indoor unit: LED1 on P.C.B flashes
Outdoor unit: LED2, 4, 6 on P.C.B flashes
Carry out test operation after approximately 12 hours have passed since the power was turned on (crankcase heater is energized). If
operation is started by using the remote control within 1 minute of turning on the power, the outdoor unit settings will not be made
correctly and correct operation will not be possible.

Table of Contents

Other manuals for Panasonic CU-B28DBE5

Related product manuals