EasyManua.ls Logo

Panasonic CU-B28DBE5 - Cu-B34 Dbe8 Cu-B43 Dbe8 Cu-B50 Dbe8

Panasonic CU-B28DBE5
156 pages
Print Icon
To Next Page IconTo Next Page
To Next Page IconTo Next Page
To Previous Page IconTo Previous Page
To Previous Page IconTo Previous Page
Loading...
29
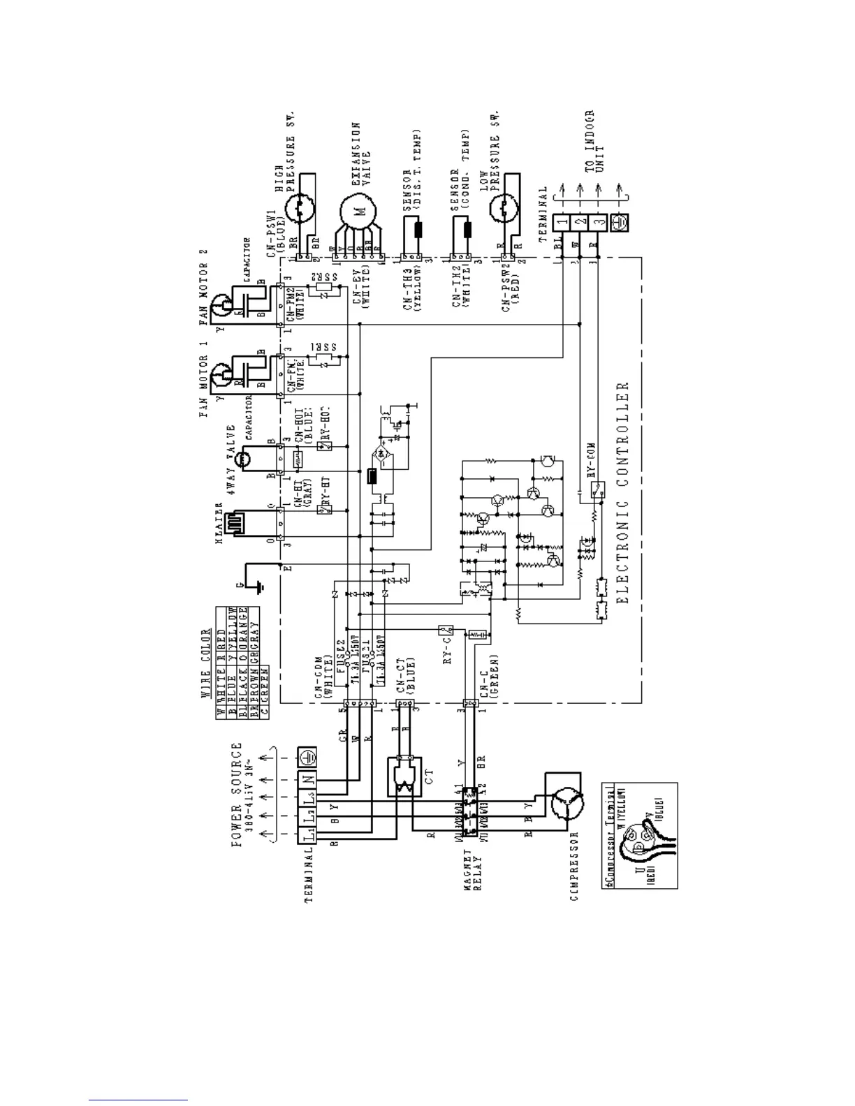
7.5. CU-B34DBE8 CU-B43DBE8 CU-B50DBE8

Table of Contents

Other manuals for Panasonic CU-B28DBE5

Related product manuals