EasyManua.ls Logo

Panasonic CU-B28DBE5 - Cu-B24 Dbe5 Cu-B28 Dbe5

Panasonic CU-B28DBE5
156 pages
Print Icon
To Next Page IconTo Next Page
To Next Page IconTo Next Page
To Previous Page IconTo Previous Page
To Previous Page IconTo Previous Page
Loading...
26
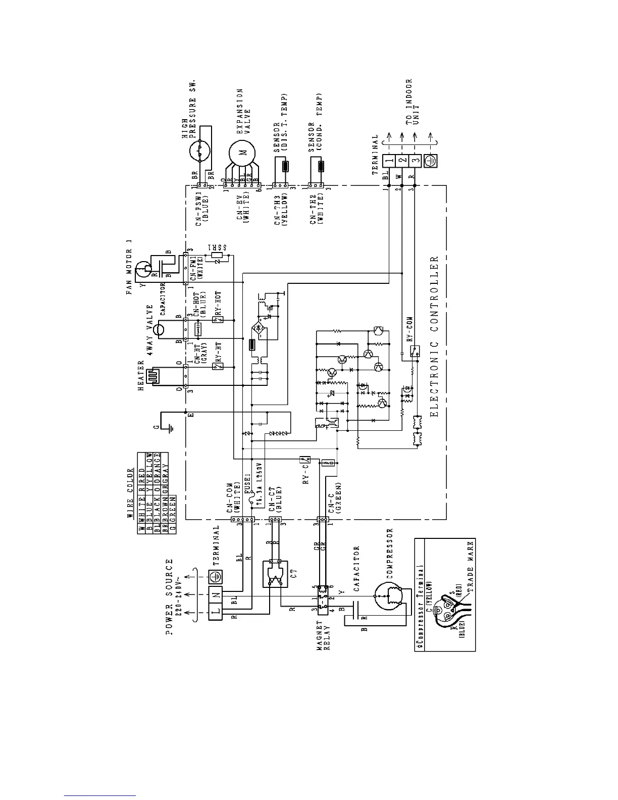
7.2. CU-B24DBE5 CU-B28DBE5

Table of Contents

Other manuals for Panasonic CU-B28DBE5

Related product manuals