EasyManua.ls Logo

Panasonic CU-C123KE - Wiring Diagram

Panasonic CU-C123KE
50 pages
Print Icon
To Next Page IconTo Next Page
To Next Page IconTo Next Page
To Previous Page IconTo Previous Page
To Previous Page IconTo Previous Page
Loading...
– 14 –
MAC9512086C2
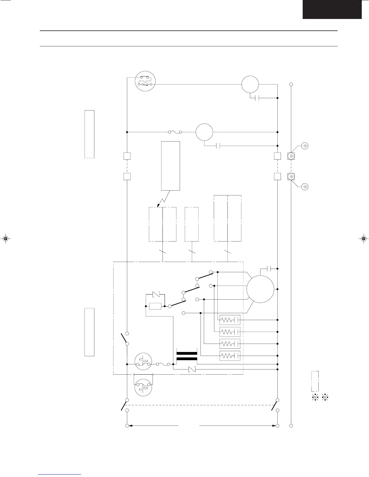
CS-C73KE
22
11
J9990114
"C"
FUSE
3.15A
RY-PWR
RECEIVER
P.C.B.
Indoor Unit Outdoor Unit
SINGLE PHASE
AC 220-230V
50Hz
C-FM
RY-SHI
RY-HTRANS-
FORMER
(102°C)
FUSE
THERMAL
ZNR1
COMPRESSOR
FAN MOTOR
FAN
MOTOR
OVERLOAD
PROTECTOR
POWER SWITCH
ELECTRONIC CONTROLLER
Indicates the electronic control unit.
Indicates the number of core wires. (Example:6C=6 core wires).
3.15A
FUSE
MAIN
CS/CU-C73KH/C93KH
C73KHBLD.DWG
TRANSMITTER
REMOTE CONTROL
WIRELESS
P.C.B.
INDICATOR
9C
MOTOR
STEPPING
5C
SENSOR
PIPE TEMP.
TEMP. SENSOR
INTAKE AIR
4C
RY-M
SSR
ZNR2
CONTROL BOX
TEMP. FUSE
(113°C)
CR1
CR2
CR4
CR3
CS-C73KE / CU-C73KE
CS-C93KE / CU-C93KE
CS-C123KE / CU-C123KE
Block Diagram
Untitled-1 6/28/00, 4:11 PM14

Related product manuals