EasyManua.ls Logo

Panasonic CU-E18CKR - Page 119

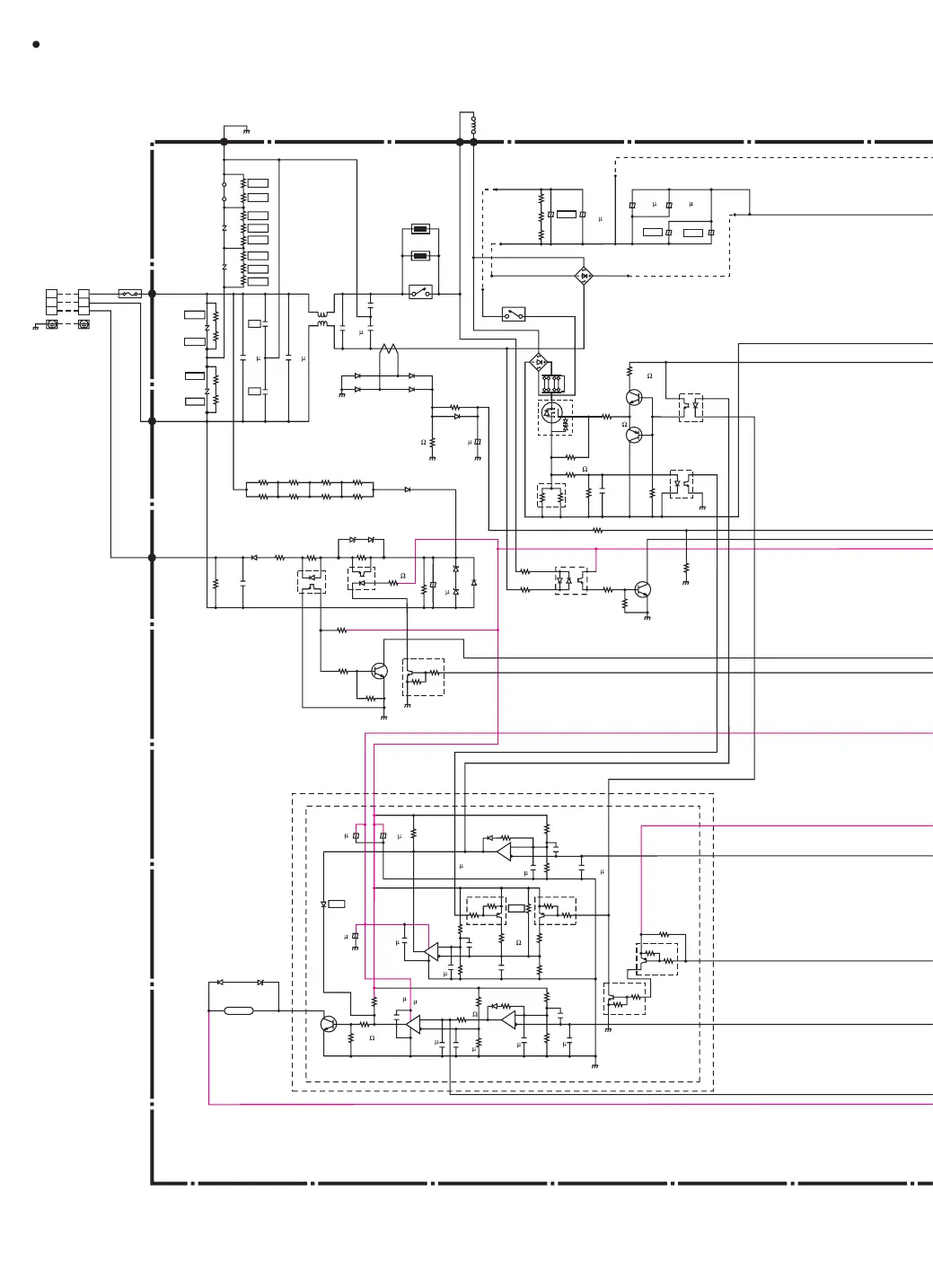
Panasonic CU-E18CKR
134 pages
Print Icon
To Next Page IconTo Next Page
To Next Page IconTo Next Page
To Previous Page IconTo Previous Page
To Previous Page IconTo Previous Page
Loading...
CU
-E1
8C
KR
CU
-E21
C
K
R
SC
HEMATI
C
DIA
G
RAM 1
/5
D14
ERA15-01
1
2
1
2
33
AC-WHT
AC-BLK
TERMINAL
DATA
D6
ERA15-06
PC18
TLP421
(BL)
PC17
TLP421
(GR)
RED
R152
ZD1
ZD5
R3 1.21k R172 330k
D5
ERA15-10
1
43
2
2W 13k 1%
1%
FG1
GRN
ZNR107
ZNR108
ZNR102
ERZVEAV511
ZNR103
ERZVEAV511
LF101
RY-PWR
PTC2
R151
R150
R149
R148
R147
R146
R145
R144
C2
PTC1
R160
9.1k
1/4W
R161
9.1k
1/4W
R162
9.1k
1/4W
R163
9.1k
1/4W
R164
9.1k
1/4W
R165 R166 R167
D1
D3
D2
D4
REACTOR
GRY1
DC-1
LJP105
BLUE
LJP104
BLUE
DC-2
LJP111
BROWN
LJP101
RED
LJP110
YELLOW
LJP103
YELLOW
GRY2
+
R125
1.65k 1%
D13
R124
698
1%
C71
220
10V
R4
100k
R5
20k 1%
c
b
e
Q5
R9 5.6k
R6 47k
4
1
2
3
c
e
b
Q6
DTC143XK
Q5
2SC2412K
10k
4.7k
ZD6 ZD2
R7
680
+
R120
39k 2W
R106
39k 2W
+
R177
100k
R170
100k
R171
100k
1
RY-C
K6B1AGA00082
++
R111 10k
R114
18k
R110 47
Q2
2SC2411KRTX
Q4
B1JAFR000001
Q3
2SAC1036KRTX
R115
R116 10
1/4W 1
%
R117
R126 10K
C70
1500p
c
b
e
e
b
c
41
23
4
32
PC22
TLP421
(BL)
PC20
TLP421
(BL)
4
3
1
2
PC19
TLP620
R122
4.7k
R123
4.7k
c
b
e
Q11
2SC2412K
R90
29.4k
C133
1000p
C122
0.01
C121
0.01
R197
C124
0.01
C125
0.82
50V
C132
1000p
D32
R93
45.3k
R96
6.98k
R94
49.9k
R98
2.74k
R100
17.8k
R92
1.8k
R91
374k 1
%
e
e
e
e
c
c
c
c
b
b
b
b
Q13
DTA143XK
10k
4.7k
10k
4.7k
+
R95
100
R86
+
IC6
IC7
PC393G2
R189
1.4k
C136
0.82
(ECQV)
R101
10k
Q14
2SC2411KRTX
C134
1000p
R196
20k
1
%
R193
25.5k
1%
R192
20k
1%
R195
12.1k
1%
R194
3.74k 1%
C127
0.01
C128
0.01
C129
0.01
c
b
e
R190
100
RY-C
D18
ERA15-01
ZD4
RD10EB2
R113
470
C1
4700pF
250V
C7
4700pF
250V
C3
1.0
250V
C6
1.0
250V
DB101
DB102
C12
2200pF
250V
C72
22
100V
C4
1.0
250V
CT101
ETQ19Z59BZ
LJP107
RED
LJP109
BLACK
LJP11
3
BLACK
S
D
G
1%
C130
10
50V
C138
10
50V
C131
10
50V
5
6
7
IC6
PC363G2
100
D33
IC7
73
8
1
4
2
3
1
4
2
5
6
C123
0.047
25V
C135
0.047
25V
Q12 DTA143XK
Q18
DTC143XK
Q17
DTA143XK
8
JUMPER
R141
R140
R143
R142
C5
R198
1M
1/4W
1%
+
C101
C105
C106
C102
65
350V
C103
850
400V
C104
850
400V
+
+
3
R127
20k
1%
+
D34
10k
4.7k
10k
4.7k
R178 10k
LJP112
BROWN

Related product manuals