EasyManua.ls Logo

Panasonic CU-S13PKH - Page 36

Panasonic CU-S13PKH
187 pages
Print Icon
To Next Page IconTo Next Page
To Next Page IconTo Next Page
To Previous Page IconTo Previous Page
To Previous Page IconTo Previous Page
Loading...
36
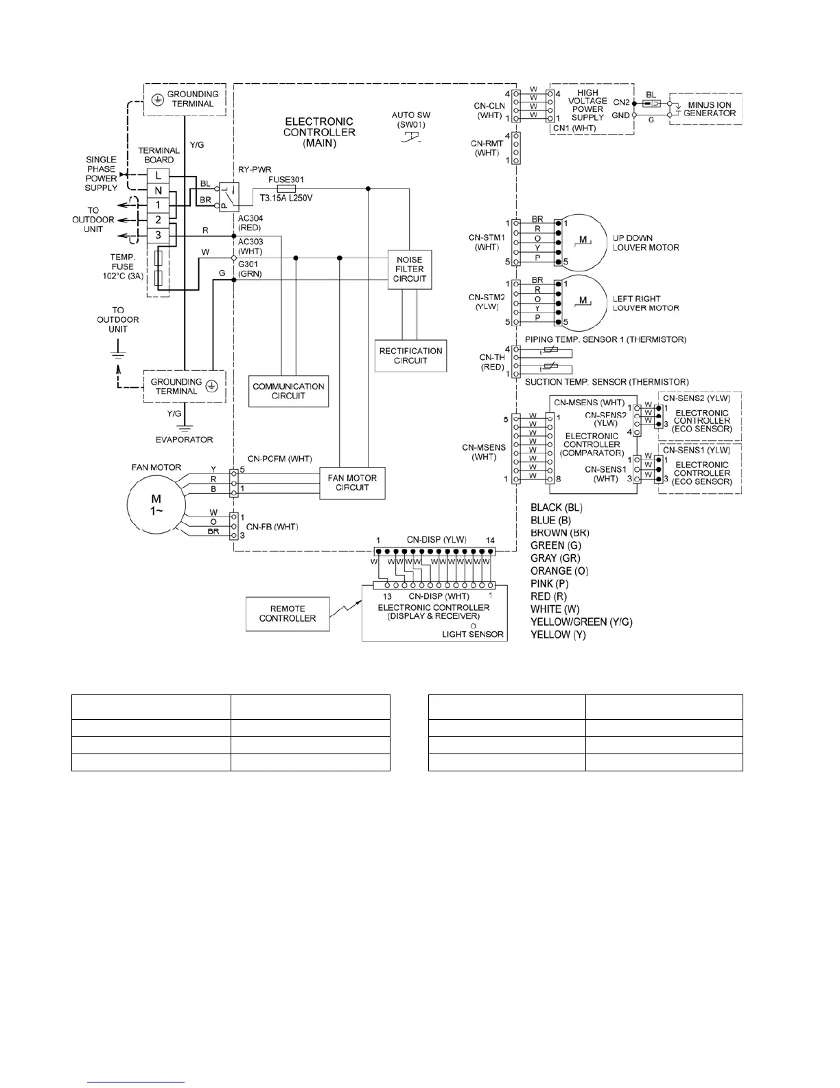
7.1.2 CS-S10PK (except Malaysia) CS-S13PK
Resistance of Indoor Fan Motor Windings
Resistance of Indoor Fan Motor Windings
MODEL CS-S13PKH (Malaysia only) MODEL
CS-S10PKH / CS-S13PKH
(except Malaysia)
CONNECTION CWA921441 CONNECTION CWA921442
BLUE-YELLOW 366 BLUE-YELLOW 407.7
BLUE-RED 338 BLUE-RED 370.6
Note: Resistance at 20°C of ambient temperature. Note: Resistance at 20°C of ambient temperature.

Table of Contents

Related product manuals