EasyManua.ls Logo

Panasonic CU-S13PKH - Page 41

Panasonic CU-S13PKH
187 pages
Print Icon
To Next Page IconTo Next Page
To Next Page IconTo Next Page
To Previous Page IconTo Previous Page
To Previous Page IconTo Previous Page
Loading...
41
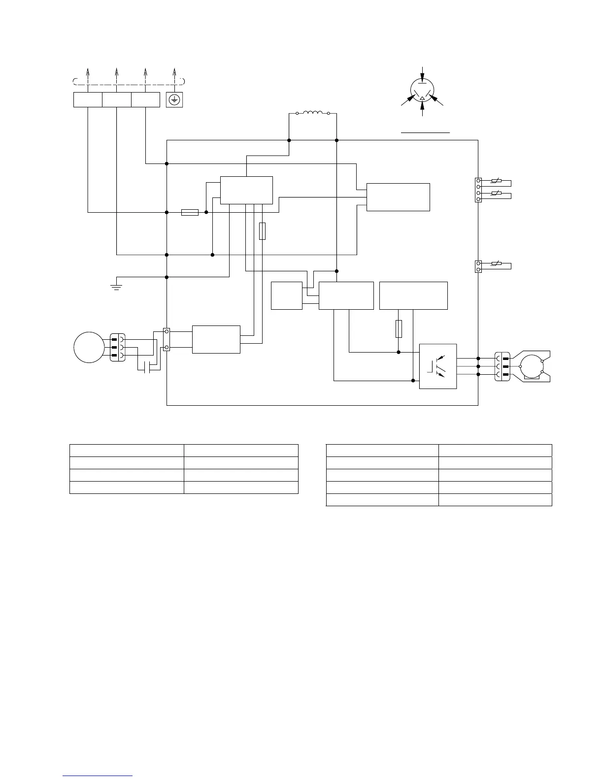
7.2.5 CU-S24PK
5
1
TERMINAL
BOARD
TO INDOOR UNIT
AC-WHT
(WHT)
CN-ACFM
(WHT)
FG01
(GRN)
GRN
BLK
WHT
AC-BLK
(BLK)
COM3
(RED)
RED
GRY
L2-1
GRY
L2-0
REACTOR
(RED)
FUSE1
T2.50A L250V
(BLU)
(YLW)
U
V
W
P
N
RECTIFICATION
CIRCUIT
FUSE2
T3.15A L250V
FAN MOTOR
CIRCUIT
FUSE3
(20A 250V)
3
(RED)
2
(WHITE)
1
(BLACK)
NOISE FILTER
CIRCUIT
COMMUNICATION
CIRCUIT
PFC
CIRCUIT
3
4
CN-TH1
(WHT)
1
2
1
3
CN-TANK
(WHT)
SWITCHING POWER
SUPPLY CIRCUIT
COMPRESSOR
RED
BLU
YLW
MS
3 ~
BLU
YLW
RED
FAN MOTOR
M
1~
BLU
CAPACITOR
OUTDOOR AIR TEMP.
SENSOR (THERMISTOR)
SENSOR
COMPLETE
SENSOR
COMPLETE
PIPING TEMP.
SENSOR (THERMISTOR)
t
0
t
0
COMP. TEMPERATURE
SENSOR (THERMISTOR)
t
0
RED (RED)
TRADE MARK
BLUE (BLU)
YELLOW (YLW)
COMP. TERMINAL
ELECTRONIC CONTROLLER
Resistance of Outdoor Fan Motor Windings
Resistance of Compressor Windings
MODEL CU-S24PK MODEL CU-S24PK
CONNECTION CWA951879 CONNECTION 5RD132XHA21
BLUE-YELLOW 85.7 U-V 1. 276
BLUE-RED 98.0 U-W 1. 276
Note: Resistance at 20°C of ambient temperature. V-W 1. 276
Note: Resistance at 20°C of ambient temperature.

Table of Contents

Related product manuals