EasyManua.ls Logo

Panasonic CU-S13PKH - Page 46

Panasonic CU-S13PKH
187 pages
Print Icon
To Next Page IconTo Next Page
To Next Page IconTo Next Page
To Previous Page IconTo Previous Page
To Previous Page IconTo Previous Page
Loading...
46
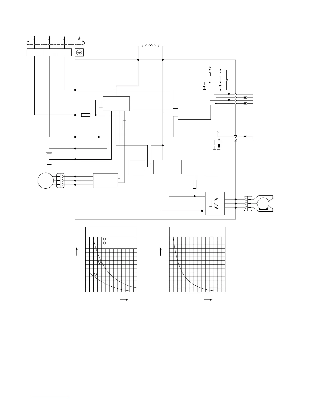
8.2.3 CU-S18PK
Sensor (Thermistor)
Characteristics
70
60
50
40
30
20
10
0
-10 0 10
Temperature (
o
C)
Resistance (k)
20 30 40 50
1
2
1
2
Outdoor Air Sensor
Outdoor Heat Exchanger
Sensor
Compressor Temp. Sensor
(Thermistor) Characteristics
70
60
50
40
30
20
10
0
20 40 60
Temperature (
o
C)
Resistance (k)
80 100 120 140
TERMINAL
BOARD
TO INDOOR UNIT
AC-WHT
(WHT)
FG1
(GRN)
GRN
BLK
WHT
AC-BLK
(BLK)
DATA
(RED)
RED
GRY
RAT2
(GRY)
RAT1
(GRY)
GRY
REACTOR
(RED)
FUSE 101
T3.15A L250V
(BLU)
(YLW)
U
V
W
P
N
RECTIFICATION
CIRCUIT
FUSE 104
T3.15A L250V
FUSE 103
(20A 250V)
3
(RED)
2
(WHITE)
1
(BLACK)
COMMUNICATION
CIRCUIT
PFC
CIRCUIT
SWITCHING POWER
SUPPLY CIRCUIT
COMPRESSO
R
RED
BLU
YLW
MS
3 ~
BLU
YLW
RED
FAN MOTOR
M
1~
FM1 (BLU)
FM2 (RED)
FM3 (YLW)
FAN MOTOR
CIRCUIT
FG2
(GRN)
GRN
NOISE FILTER
CIRCUIT
OUTDOOR TEMP.
SENSOR (15k 3950)
PIPE TEMP.
SENSOR1 (4.96k 3800
1
2
3
4
CN-TH1
5V
G2
G2
G2
R12
15.0k
1%
R11
15.8k
1%
C10
10V
C88
220µ
10V
C9
10V
419
420
COMP. TEMP.
SENSOR (50k 3950)
1
3
CN-TANK
WHITE
5V
G2
R1
4.99k
1%
G2
C5
10V
+

Table of Contents

Related product manuals