EasyManua.ls Logo

Panasonic CU-S24TKV - Cs-S28 Tkv Cu-S28 Tkv

Panasonic CU-S24TKV
168 pages
Print Icon
To Next Page IconTo Next Page
To Next Page IconTo Next Page
To Previous Page IconTo Previous Page
To Previous Page IconTo Previous Page
Loading...
24
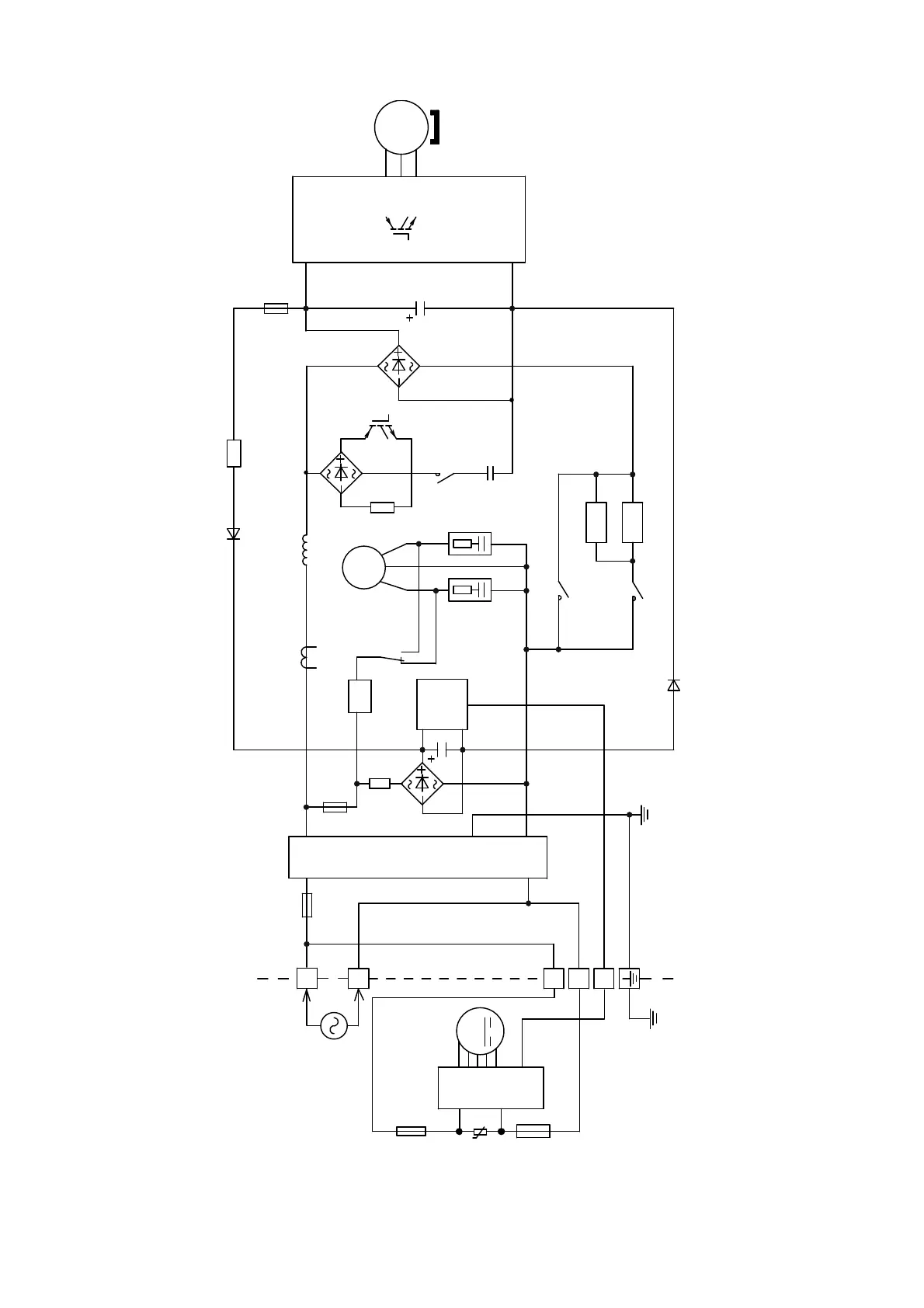
6.5 CS-S28TKV CU-S28TKV
1
L
N
3
2
FUSE3
FUSE2
FUSE1
DB3
DB1
DB2
Q1
U
P
N
V
W
SC
SSR1
PTC2
PTC1
RY-AC
RY-C
RY-PWR2
RY-HL
NTC
TH2
NTC
TH1
NOISE FILTER
M
1~
MS
3~
CR4
CR5
CT400 REACTOR
TEMP.FUSE
U
FUSE301
SC
(INDOOR UNIT)
SINGLE PHASE
OUTDOOR
POWER SUPPLY
(OUTDOOR UNIT)
M

Table of Contents

Other manuals for Panasonic CU-S24TKV

Related product manuals