EasyManua.ls Logo

Panasonic CU-S24TKV - Outdoor Unit

Panasonic CU-S24TKV
168 pages
Print Icon
To Next Page IconTo Next Page
To Next Page IconTo Next Page
To Previous Page IconTo Previous Page
To Previous Page IconTo Previous Page
Loading...
28
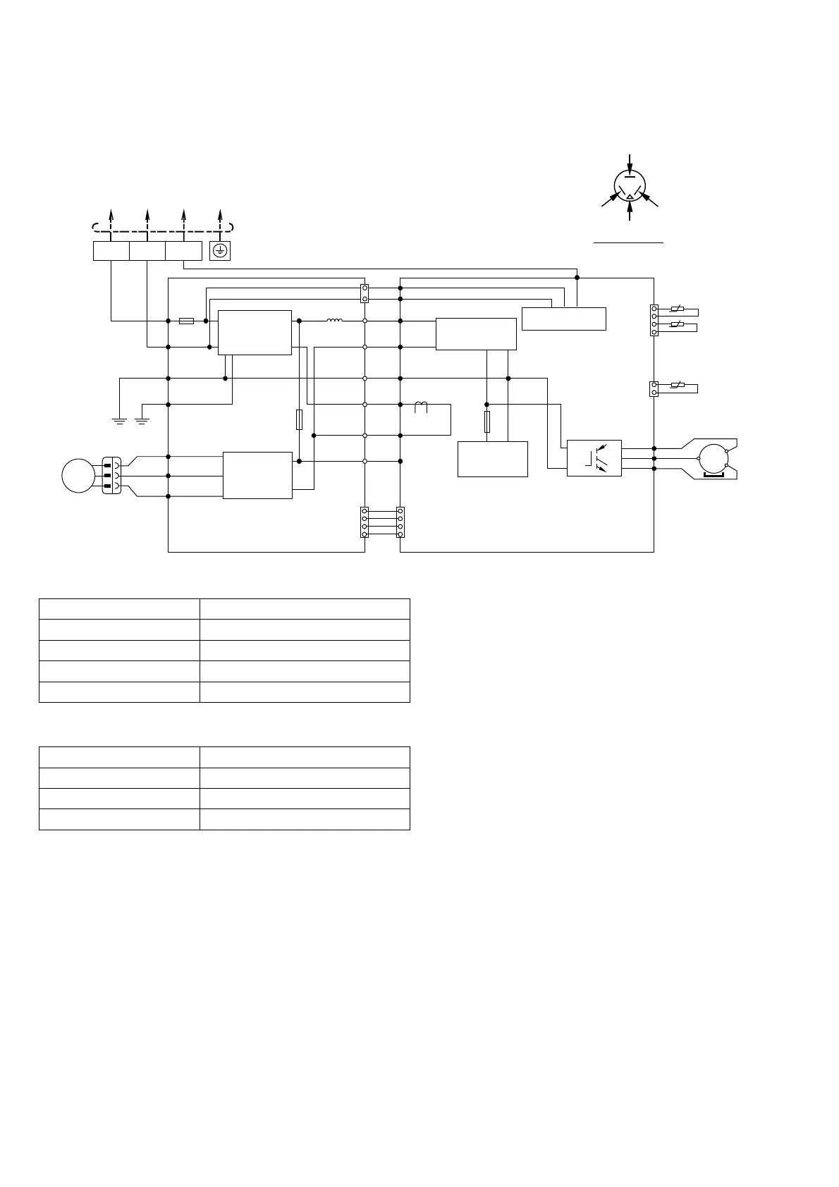
7.2 Outdoor Unit
7.2.1 CU-S9TKV
Resistance of Compressor Windings
MODEL CU-S9TKV
CONNECTION 5SS072XGA21
U-V 3.034
U-W 3.021
V-W 3.009
Resistance of Outdoor Fan Motor Windings
MODEL CU-S9TKV
CONNECTION CWA951934
BLUE-YELLOW 362
RED-YELLOW 209
TERMINAL
BOARD
TO INDOOR UNIT
3
(RED)
2
(WHITE)
1
(BLACK)
NOISEFILTER
CIRCUIT
COMMUNICATION
CIRCUIT
RECTIFICATION
CIRCUIT
SWITCHING
POWER SUPPLY
CIRCUIT
FANMOTOR
CIRCUIT
COMPRESSOR
RED
BLUE
YELLOW
U(RED)
V(BLU)
W(YLW)
MS
3~
U
V
W
P
N
COMPRESSOR
TEMPERATURE SENSOR
(THERMISTOR)
1
3
CN-TANK
(WHT)
t
0
OUTDOOR AIR
TEMPERATURE SENSOR
(THERMISTOR)
PIPING
TEMPERATURE SENSOR
(THERMISTOR)
1
2
3
4
CN-TH
(WHT)
1
3
1
1
2
3
2
3
4
1
2
3
4
M
1~
FAN MOTOR
RED
CN301 (WHT)
LLJP2 (WHT)
LLJP4
(ORG)
AC-WHT01
(WHT)
AC-WHT02
(BLU)
LLJP6
(YLW)
CN200
(WHT)
FUSE3
T3,15A
L250V
LLJP5
(GRY)
LLJP10
(GRN)
DATA
(RED)
CT1
Q4
LLJP1 (BLK)
BLACK
WHITE
ORANGE
GRAY
GREEN
WHITE
BLUE
YELLOW
WHITE
WHITE
WHITE
WHITE
L300
BLACK
FUSE300
(20A)
AC-BLK
(BLK)
AC-WHT
(WHT)
ACL300
(ORG)
ACN
(GRY)
GND
(GRN)
AC-WHT301
(WHT)
AC-WHT302
(BLU)
ACL301
(YLW)
CN300
(WHT)
FG300
(GRN)
FUSE301
T3.15A L250V
FG301
(GRN)
FM301 (BLU)
FM302 (RED)
FM303 (YLW)
WHITE
GREEN
GREEN
BLUE
RED
YELLOW
ELECTRONIC CONTROLLERELECTRONIC CONTROLLER
RED (RED)
TRADEMARK
BLUE (BLU)
YELLOW (YLW)
COMP. TERMINAL
THE PARENTHESIZED
LETTER IS INDICATED
ON TERMINAL COVER
t
0
t
0

Table of Contents

Other manuals for Panasonic CU-S24TKV

Related product manuals