EasyManua.ls Logo

Panasonic CU-S24TKV - Page 29

Panasonic CU-S24TKV
168 pages
Print Icon
To Next Page IconTo Next Page
To Next Page IconTo Next Page
To Previous Page IconTo Previous Page
To Previous Page IconTo Previous Page
Loading...
29
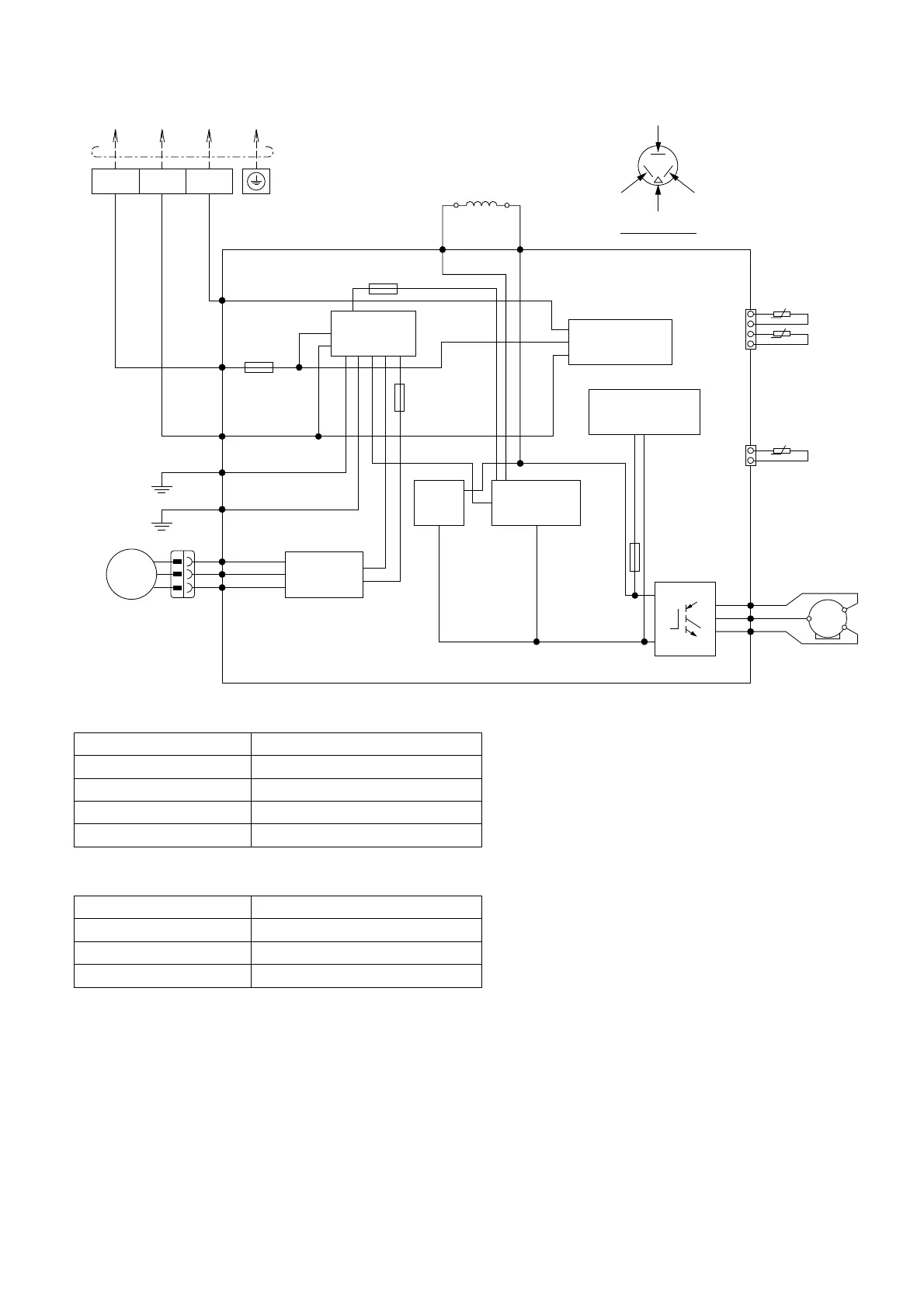
7.2.2 CU-S12TKV
Resistance of Compressor Windings
MODEL CU-S12TKV
CONNECTION 5RS092XJA21
U-V 1.152
U-W 1.152
V-W 1.152
Resistance of Outdoor Fan Motor Windings
MODEL CU-S12TKV
CONNECTION ACXA95-00130
BLUE-YELLOW 178.6
RED-YELLOW 147.9
TO INDOOR UNIT
1
(BLACK)
2
(WHITE)
3
(RED)
TERMINAL
BOARD
RED
DATA
(RED)
FUSE104
(15A 250V)
RAT2
(GRY)
RAT1
(GRY)
GRY GRY
REACTOR
TRADEMARK
YELLOW (YLW)
RED (RED)
CN-TH
(WHT)
OUTDOOR AIR TEMP.
SENSOR (THERMISTOR)
COMP. TEMPERATURE
SENSOR (THERMISTOR)
PIPING TEMP.
SENSOR (THERMISTOR)
1
2
CN-TANK
(WHT)
1
3
(RED)
U
P
N
V
W
(BLU)
(YLW)
RED
BLU
YLW
COMPRESSOR
MS
3~
3
4
BLUE (BLU)
AC-BLK
(BLK)
AC-WHT
(WHT)
FG1
(GRN)
GRN
GRN
FG2
(GRN)
FM1 (BLU)
FM2 (RED)
FM3 (YLW)
BLU
RED
YLW
FAN MOTOR
FAN MOTOR
CIRCUIT
PFC
CIRCUIT
RECTIFICATION
CIRCUIT
COMMUNICATION
CIRCUIT
NOISE FILTER
CIRCUIT
SWITCHING POWER
SUPPLY CIRCUIT
FUSE103
T3.15A L250V
FUSE101
(20A 250V)
FUSE102
T3.15 L250V)
WHT
BLK
M
1~
ELECTRONIC CONTROLLER
COMP. TERMINAL

Table of Contents

Other manuals for Panasonic CU-S24TKV

Related product manuals