EasyManua.ls Logo

Panasonic CU-S24TKV - Page 30

Panasonic CU-S24TKV
168 pages
Print Icon
To Next Page IconTo Next Page
To Next Page IconTo Next Page
To Previous Page IconTo Previous Page
To Previous Page IconTo Previous Page
Loading...
30
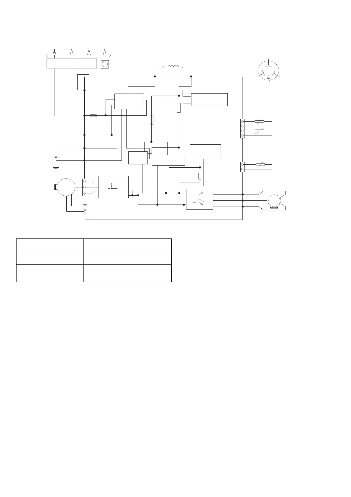
7.2.3 CU-S18TKV
Resistance of Compressor Windings
MODEL CU-S18TKV
CONNECTION 5RD132XHC21
U-V 1.276
U-W 1.276
V-W 1.276
TO INDOOR UNIT
REACTOR
BLK
WHT
RED
NOISE FILTER
CIRCUIT
DATA
(RED)
AC-BLK
(BLK)
AC-WHT
(WHT)
FG1
(GRN)
FG2
(GRN)
1
1
3
5
3
W
10
14
16
IC19
V
U
CN-MTR2
(WHT)
CN-MTR1
(RED)
PFC
CIRCUIT
RECTIFICATION
CIRCUIT
COMMUNICATION
CIRCUIT
SWITCHING
POWER
SUPPLY CIRCUIT
FUSE 103
(20A 250V)
FUSE2
(20A 250V)
FUSE101
T3.15A L250V
FUSE3
(20A 250V)
FAN
MOTOR
GRN
GRN
1
(BLACK)
2
(WHITE)
3
(RED)
TERMINAL
BOARD
YELLOW
(YLW) OR (C)
TRADEMARK
COMPRESSOR TERMINAL
THE PARENTHESIZED
LETTERS IS INDICATED
ON TERMINAL COVER
BLUE
(BLU)
OR (R)
RED
(RED)
OR (S)
CN–TH1
(WHT)
CN–TANK
(WHT)
RED
BLU
YLW
U (RED)
V (BLU)
W (YLW)
U
V
W
1
4
1
3
P
N
Q1
OUTDOOR AIR TEMP. SENSOR
(THERMISTOR)
PIPING TEMP. SENSOR
(THERMISTOR)
COMPRESSOR TEMP. SENSOR
(THERMISTOR)
COMPRESSOR
MS
3~
ELECTRONIC CONTROLLER
MS
3~
RAT2
(GRY)
GRY
RAT1
(GRY)
GRY

Table of Contents

Other manuals for Panasonic CU-S24TKV

Related product manuals