EasyManua.ls Logo

Panasonic CU-SA12CKP5 - Page 44

Panasonic CU-SA12CKP5
62 pages
Print Icon
To Next Page IconTo Next Page
To Next Page IconTo Next Page
To Previous Page IconTo Previous Page
To Previous Page IconTo Previous Page
Loading...
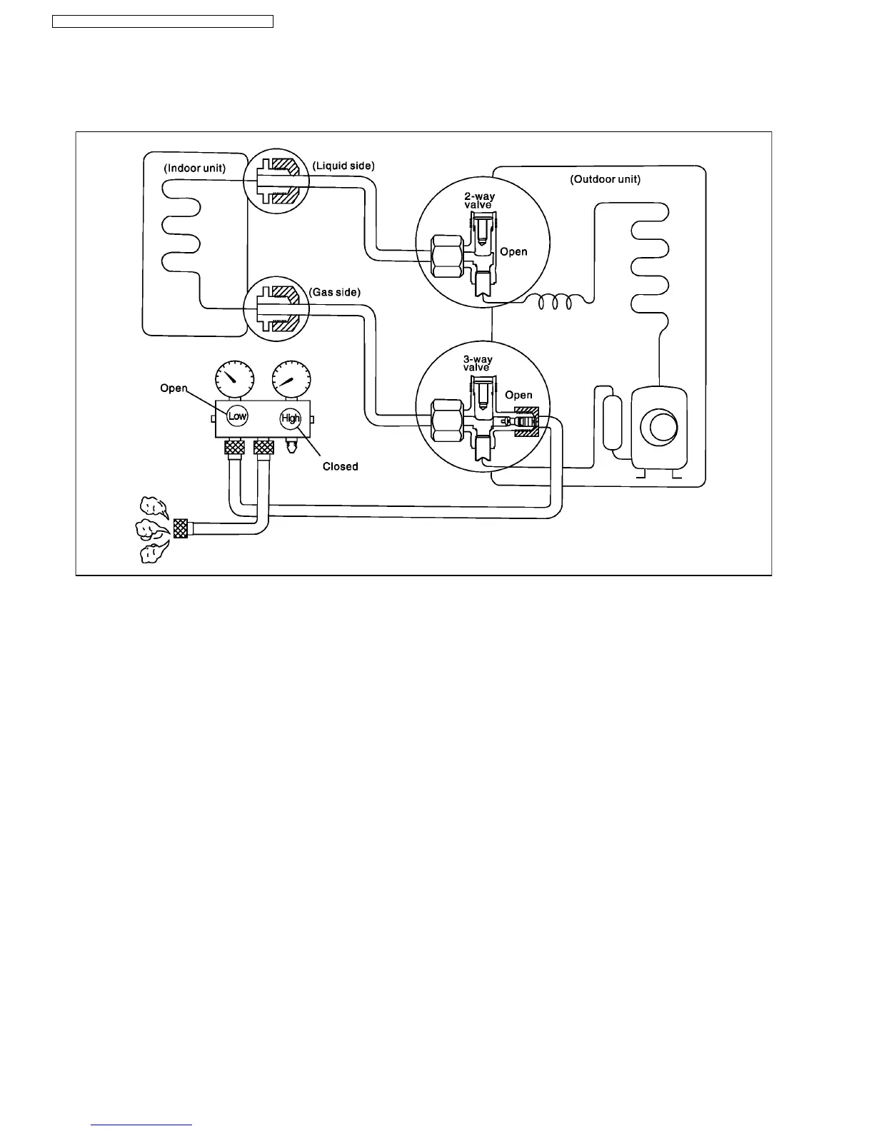
9.2.2. 2-2 Balance refrigerant of the 2-way, 3-way valves
(Gas leakage)
Procedure
1. Confirm that both 2-way and 3-way valves are set to the open position.
2. Connect the charge set to the service port of the 3-way valve.
Leave the valve on the charge set closed.
Connect the charge hose with the push pin to the service port.
3. Open the valves (low side) on the charge set and discharge the refrigerant until the gauge indicates 0.5-1 kg/cm
2
G (0.05-
0.1Mpa).
If there is no air in the refrigerant cycle [the pressure when the air conditioner is not running is higher than 1kg/cm
2
G
(0.1Mpa)], discharge the refrigerant until the gauge indicates 0.5 to 1 kg/cm
2
G (0.05 to 0.1Mpa). If this is the case, it will not
be necessary to apply a evacuation.
Discharge the refrigerant gradually, if it is discharged too suddenly, the refrigerant oil will also be discharged.
44
CS-SA9CKP CU-SA9CKP5 / CS-SA12CKP CU-SA12CKP5

Related product manuals