EasyManua.ls Logo

Panasonic CU-Z35VKE - Troubleshooting: Symptoms and Checks; Common Symptoms, Causes, and Pre-Service Checks

Panasonic CU-Z35VKE
213 pages
Print Icon
To Next Page IconTo Next Page
To Next Page IconTo Next Page
To Previous Page IconTo Previous Page
To Previous Page IconTo Previous Page
Loading...
31
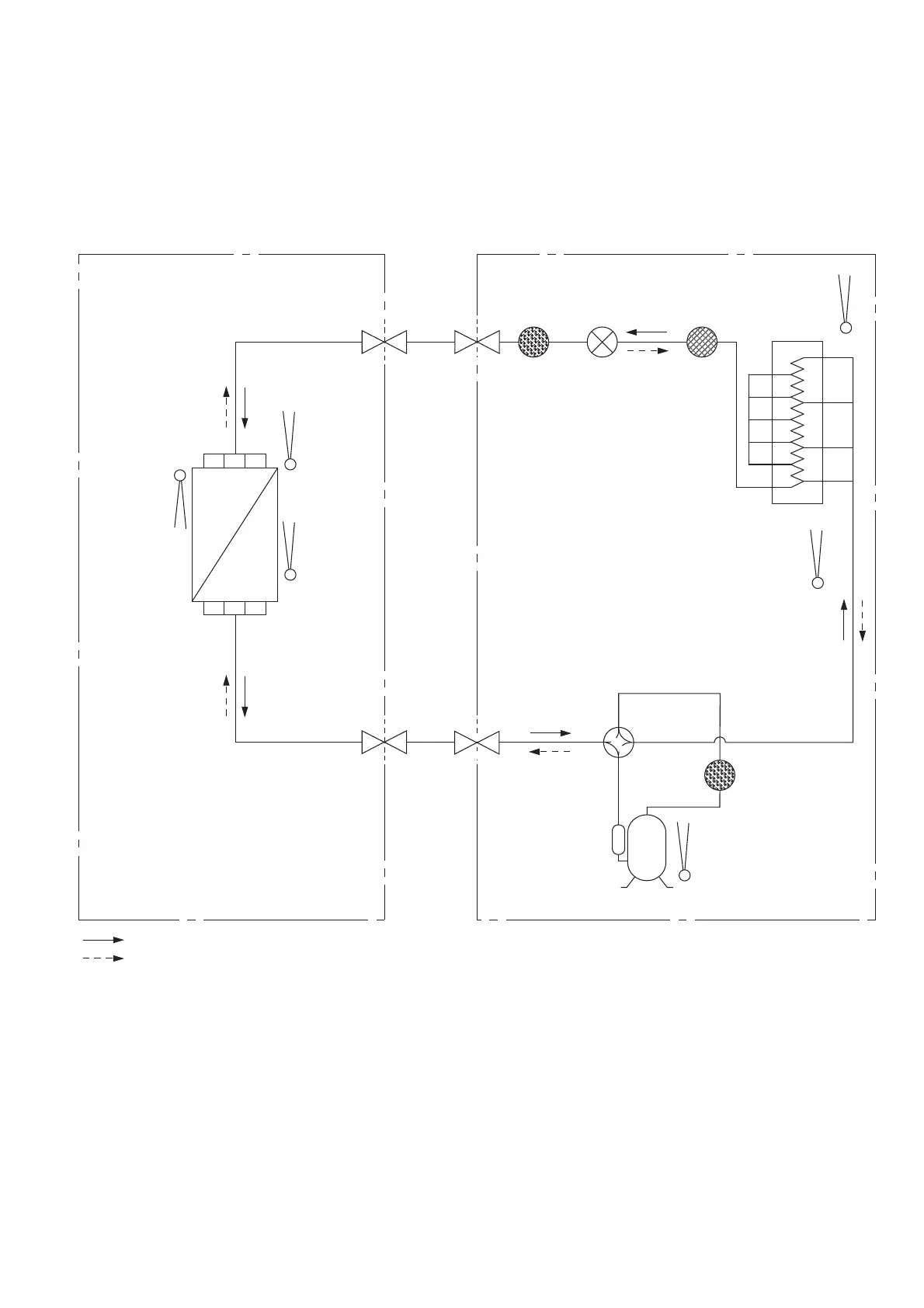
7. Refrigeration Cycle Diagram
7.1 CS-Z20VKEW CU-Z20VKE CS-Z25VKEW CU-Z25VKE
CS-Z35VKEW CU-Z35VKE CS-Z42VKEW CU-Z42VKE
CS-XZ20VKEW CU-Z20VKE CS-XZ25VKEW CU-Z25VKE
CS-XZ35VKEW CU-Z35VKE
INDOOR OUTDOOR
INTAKE
AIR
TEMP.
SENSOR
AIR
TEMP.
SENSOR
PIPE
TEMP.
SENSOR 1
PIPE
TEMP.
SENSOR 2
TANK
SENSOR
PIPE
TEMP.
SENSOR
LIQUID
SIDE
2-WAY
VALVE
3-WAY
VALVE
GAS
SIDE
COOLING
HEAT EXCHANGER
(EVAPORATOR)
HEATING
COMPRESSOR
4-WAYS VALVE
CONDENSER
MUFFLER
MUFFLER
STRAINER
EXPANSION
VALVE

Table of Contents

Other manuals for Panasonic CU-Z35VKE

Related product manuals