EasyManua.ls Logo

Panasonic CU-Z35VKE - Troubleshooting: Specific Scenarios; Remote Control Issues and Indicator Brightness

Panasonic CU-Z35VKE
213 pages
Print Icon
To Next Page IconTo Next Page
To Next Page IconTo Next Page
To Previous Page IconTo Previous Page
To Previous Page IconTo Previous Page
Loading...
32
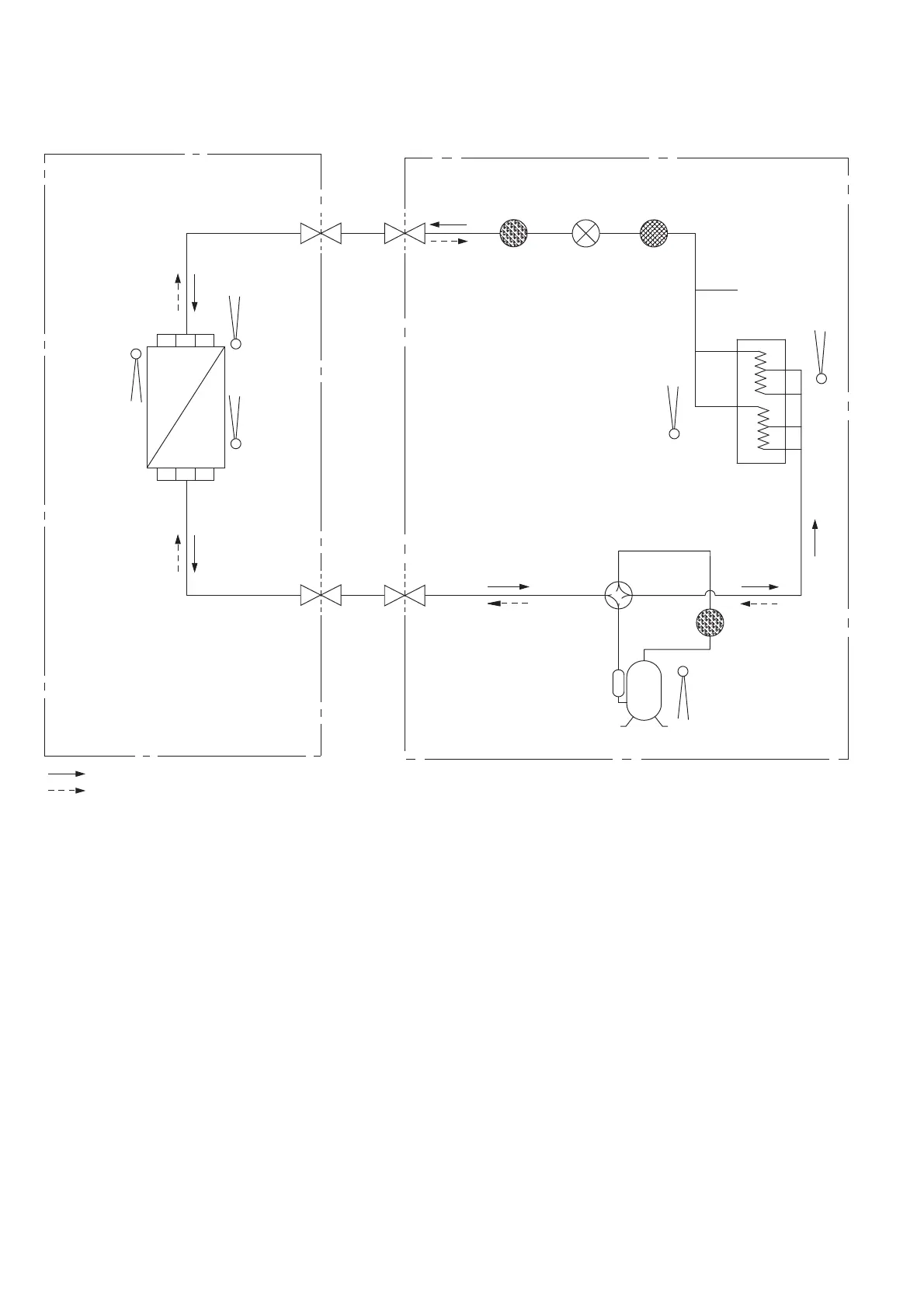
7.2 CS-Z50VKEW CU-Z50VKE CS-Z71VKEW CU-Z71VKE
CS-XZ50VKEW CU-Z50VKE
INDOOR OUTDOOR
INTAKE
AIR
TEMP.
SENSOR
PIPE
TEMP.
SENSOR
AIR
TEMP.
SENSOR
LIQUID
SIDE
2-WAY
VALVE
3-WAY
VALVE
GAS
SIDE
COOLING
HEAT EXCHANGER
(EVAPORATOR)
HEATING
COMPRESSOR
CONDENSER
PROCESS
TUBE
STRAINER
EXPANSION
VALVE
4-WAYS VALVE
TANK
SENSOR
PIPE
TEMP.
SENSOR 1
PIPE
TEMP.
SENSOR 2
RECEIVER
MUFFLER
(Z71VKE only)

Table of Contents

Other manuals for Panasonic CU-Z35VKE

Related product manuals