EasyManua.ls Logo

Panasonic DMC-TZ80EB - System Control Block Diagram

Panasonic DMC-TZ80EB
61 pages
Print Icon
To Next Page IconTo Next Page
To Next Page IconTo Next Page
To Previous Page IconTo Previous Page
To Previous Page IconTo Previous Page
Loading...
54
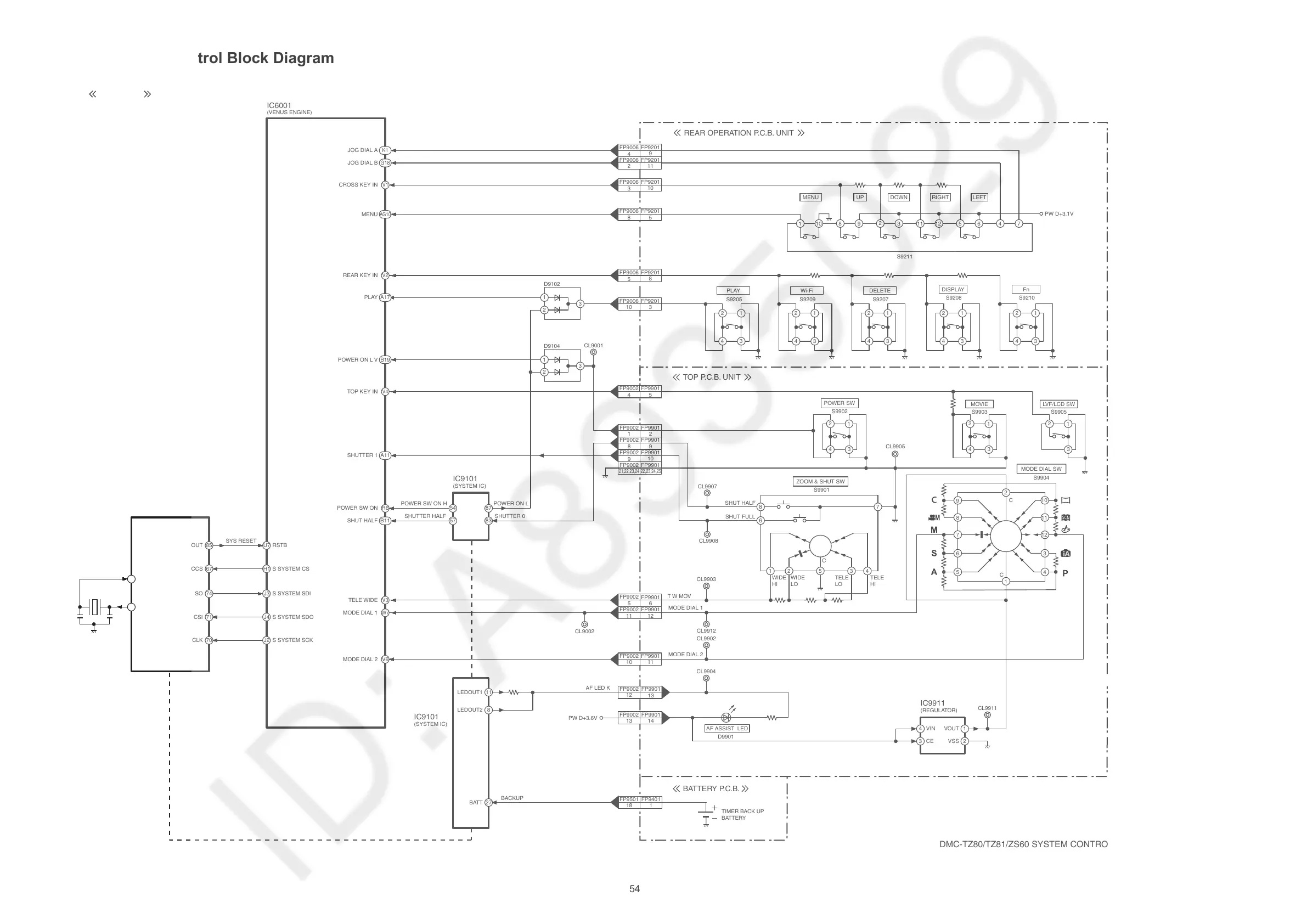
12.2. System Control Block Diagram
SHUT FULL
S SYSTEM CS
RSTB
POWER SW ON
DMC-TZ80/TZ81/ZS60 SYSTEM CONTROL BLOCK DIAGRAM
IC6001
(VENUS ENGINE)
S SYSTEM SDI
67
IC9101
(SYSTEM IC)
SCCS
28
74SO
71SCSI
26
X9101
(32.768kHz)
S SYSTEM SDO
SHUT HALF
54R6
B11
IC9101
(SYSTEM IC)
OSC IN
OSC OUT
85
U7
H1
J3
J4
J2
RESET OUT
70SCSCLK
57
POWER SW ON H
SHUTTER 0SHUTTER HALF
IC9101
(SYSTEM IC)
SHUT HALF
C
WIDE
HI
WIDE
LO
TELE
LO
TELE
HI
83
POWER ON L
87
4
IC9911
(REGULATOR)
32
1
1
D9104
2
3
7
6
8
51
2
TELE WIDE
MOVIE
S9207
DELETE
S9210
Fn
S9208
S9211
DISPLAY
MENU UP DOWN RIGHT LEFT
PW D+3.1V
D9901
11LEDOUT1
CROSS KEY IN
V1
JOG DIAL A
JOG DIAL B
MENU
CL9907
CL9908
CL9903
CL9902
CL9911
CL9904
S9904
MODE DIAL SW
S9902
S9901
POWER SW
ZOOM & SHUT SW
TIMER BACK UP
BATTERY
1
9
C
C
7
CL9001
PW D+3.6V
2
1
43
21
43
21
43
21
43
S9903
2
1
43
S9205
PLAY
110 8 9
2
3111256
4
7
21
43
S9209
Wi-Fi
21
43
CL9905
8
6
54
3
CL9912
CL9002
REAR KEY IN
MODE DIAL 1
10
11
12
8
27
LEDOUT2
BATT
234
S SYSTEM SCK
AF ASSIST LED
AF LED K
BACKUP
FP9401
1
FP9501
FP9002
13
18
FP9002
12
FP9901
13
FP9901
14
FP9901
2
FP9901
9
FP9901
10
FP9901
FP9901
6
FP9002
21,22,23,24 22,23,24,25
1
8
9
5
FP9901
1211
FP9002
FP9002
FP9002
FP9002
FP9002
VOUT
VSS
VIN
CE
SHUTTER 1
T W MOV
MODE DIAL 1
FP9901
1110
FP9002
MODE DIAL 2
TOP P.C.B. UNIT
BATTERY P.C.B.
REAR OPERATION P.C.B. UNIT
SYS RESET
FP9201
8
5
FP9006
FP9201
5
8
FP9006
FP9201
10
3
FP9006
FP9201
3
10
FP9006
FP9901
54
FP9002
FP9201
9
4
FP9006
FP9201
11
2
FP9006
PLAY
TOP KEY IN
POWER ON L V
LVF/LCD SW
2
1
3
S9905
1
D9102
2
3
W7
V3
V4
V2
K1
G18
A11
B19
A17
AG10
MODE DIAL 2 V6
MAIN P.C.B.

Table of Contents

Related product manuals