EasyManua.ls Logo

Panasonic DMC-TZ80EB - Lens;Flash Block Diagram

Panasonic DMC-TZ80EB
61 pages
Print Icon
To Next Page IconTo Next Page
To Next Page IconTo Next Page
To Previous Page IconTo Previous Page
To Previous Page IconTo Previous Page
Loading...
56
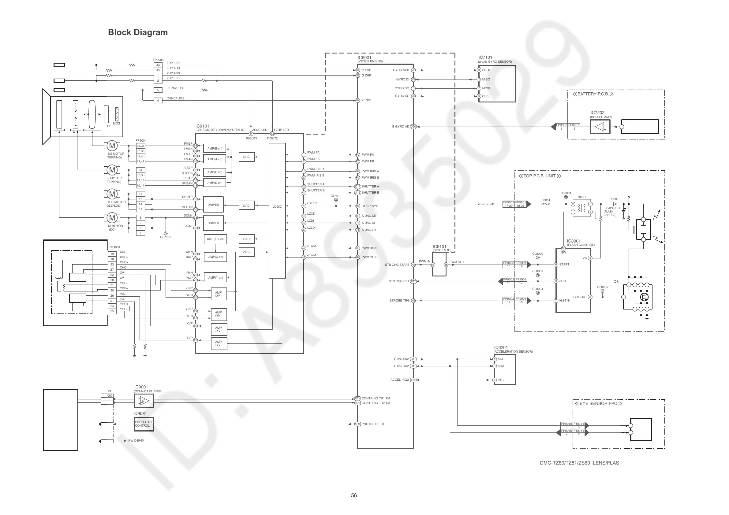
12.4. Lens/Flash Block Diagram
+
-
DMC-TZ80/TZ81/ZS60 LENS/FLASH BLOCK DIAGRAM
YPWM
MOS
M
M
M
32,33
12,13
10,11
35,36
37,38
41
40
37
43
46
LZCK
LZDI
LZLD
IC9101
9
6
7
34
5
4
M
ZENC1 LED
ZENC1 ABS
ZENC1
IC6001
D14
120
SHUTTER A
SHUTTER A
75
72
69
66
2
1
56
58
DCM-
DCM+
PWM IRIS A
PWM FB
PWM FA
HALL
SENSOR
HALL
SENSOR
YMP
YMN
XMP
XMN
FP9004
G ZHP
8
16
17
14
15
38
42
FMBP
FMBN
22
19
IRISBP
IRISBN
16
IRISAP
18
111
112
FP9004
XDR-
XDR+
XHO+
XHO-
YDR-
YDR+
YHO+
YHO-
2
1
3
4
T8001
8681
IC9101
PWM IN
PWM OUT
D12
STB CHG START
N6
H2
FMAP
FMAN
XHN
XINP
44
43
1
2
FHP LED
FHP ABS
ZHP ABS
ZHP LED
39,40
41,42
CL8004
+B(VSYS)
DAC
LOGIC
DRIVER
DAC
AMP
(XH)
ADC
105
104
YHN
YINP
19
18
23
27
22
28
31
30
26
21
24
25
XV+
XV-
YV+
YV-
XVP
110
YVP
107
47
XPWM
48
A15
C11
D11
AD15
AD14
AG13
AF13
44
SHUTTER B
SHUTTER B
SYSCK
CLK27 SYS
CL8020
CL8001
F8001
M4
L1
M2
D20
5
3
678
21
4
2
Q8001
+
-
FLASH
E.CAPACITOR
(FLASH
CHARGE)
CL8024
D8002
CL8005
CL6018
AMP
(YH)
AMP
(XV)
AMP
(YV)
FOCUS MOTOR
(STEPPING)
IRIS MOTOR
(STEPPING)
SHUTTER MOTOR
(SOLENOID)
ZOOM MOTOR
(DC)
CL8009
CL7001
IC7101
(2-axis GYRO SENSOR)
11
10
MOSI
8 CSB
MISO
9 SCLK
IC6201
(ACCELERATION SENSOR)
4
6
SCL
SDA
9
INT2
4
CD BARREL ENC
FOCUS ENC
ZOOM ENC
FILTER
(LENS MOTOR DRIVE/SYSTEM IC)
AMP(B ch)
AMP(A ch)
AMP(C ch)
AMP(D ch)
AMP(X/Y ch)
AMP(X ch)
AMP(Y ch)
LENS UNIT
CONTROL RING UNIT
OIS UNIT
(VENUS ENGINE)
GYRO DI
M3U4
U6
U2
P2
P3
R4
P1
H3
R1
T4
T3
R3
R2
GYRO SCK
G GYRO AD
GYRO DO
GYRO CS
PWM FA
PWM FB
PWM IRIS A
PWM IRIS B
21
PWM IRIS B
S DAC CK
S DAC DI
S DAC LD
PWM XOIS
PWM YOIS
STROBE TRG
(SYSTEM IC)
STB CHG DET
52
DRIVER
SHUTP
SHUTN
50
DAC
13
IRISAN
9
PIOUT1
12
PIOUT2
ZENC LED FZHP LED
FP9901
15
FP9002
14
FT9711
5
FP9010
5
FT9711
2
FP9010
2
FP9901
16
FP9901
FP9002
15
FP9002
17-20 18-21
FP9901
17
FP9002
16
6
9
7
10
4
2
START
FULL
IGBT IN
IGBT OUT
SCL
8 SDA
VC
SW
IC8001
(FLASH CONTROL)
IC9711
(EYE SENSOR)
FP9050
MAIN
1
5
4
3
IC7201
(1-axis GYRO SENSOR)
IC7202
(BUFFER AMP)
IC9001
Q9081
(SCHNIDT BUFFER)
2 OUT
FP9401
163
FP9501
TOP P.C.B. UNIT
EYE SENSOR FPC
BATTERY P.C.B.
FP9004
G FHP
G I2C SK2
G I2C DA2
ACCEL IRQ2
CONTRING TR1 TM
CONTRING TR2 TM
PHOTO REF CTL
PW D3R6V
PHORO REF
CONTROL

Table of Contents

Related product manuals