EasyManua.ls Logo

Panasonic DMC-TZ80EB - Power (1) Block Diagram

Panasonic DMC-TZ80EB
61 pages
Print Icon
To Next Page IconTo Next Page
To Next Page IconTo Next Page
To Previous Page IconTo Previous Page
To Previous Page IconTo Previous Page
Loading...
57
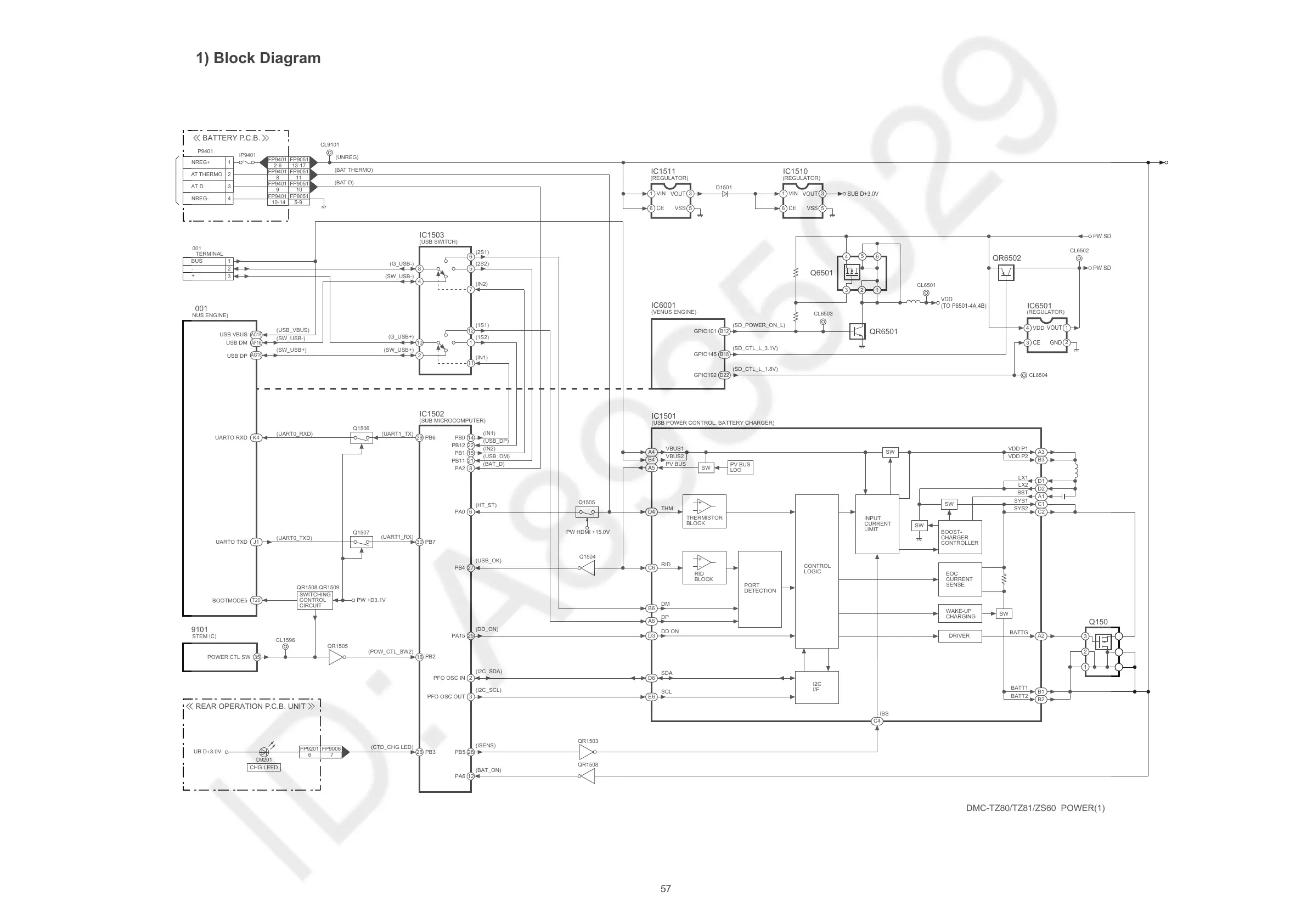
12.5. Power (1) Block Diagram
D9201
SUB D+3.0V
CHG LEED
DMC-TZ80/TZ81/ZS60 POWER(1) BLOCK DIAGRAM
USB DM
USB DP
IC6001
(VENUS ENGINE)
IC1503
(USB SWITCH)
USB VBUS
+
-
SWITCHING
CONTROL
CIRCUIT
IC1511
(REGULATOR)
D1501
6
5
3
1
VOUT
VIN
VSSCE
P9401
UNREG+
1
IP9401
BAT THERMO
2
BAT D
3
JK2001
USB TERMINAL
VBUS
1
D-
2
D+
3
UNREG-
4
2-6
FP9401
13-17
FP9051
8
FP9401
11
FP9051
FP9401 FP9051
9
FP9401
10
FP9051
BATTERY P.C.B.
REAR OPERATION P.C.B. UNIT
(UNREG)
(BAT THERMO)
(BAT-D)
(USB_VBUS)
(G_USB-)
(2S1)
(2S2)
(IN2)
(1S1)
(1S2)
(IN1)
(SW_USB-)
(G_USB+)
(SW_USB+)
(UART1_TX)
(UART1_RX)
(POW_CTL_SW2)
(SW_USB-)
(SW_USB+)
(UART0_RXD)
Q1506
PB6 PB0
PB12
PB1
PB11
PA2
PA0
PB4
PA15
PFO OSC IN
PFO OSC OUT
PB7
Q1507
PW +D3.1V
TO
BATTERY
CL9101
CL6502
CL6504
CL6503
CL1596
QR1505
Q1504
QR1503
QR1508,QR1509
SW
SW
PV BUS
LDO
THERMISTOR
BLOCK
10-14 5-9
6
FP9201
7
FP9006
IC9101
(SYSTEM IC)
POWER CTL SW
35
8
IC1502
(SUB MICROCOMPUTER)
IC1501
(USB POWER CONTROL, BATTERY CHARGER)
29
AC18
IC6001
(VENUS ENGINE)
(SD_POWER_ON_L)
GPIO101
B12
UARTO RXD
K4
VBUS1 VDD P1
VDD P2
LX1
LX2
BST
SYS1
SYS2
BATTG
BATT1
BATT2
A4 A3
D1
D2
A1
C1
C2
C4
B3
VBUS2
B4
PV BUS
THM
A5
IC1510
(REGULATOR)
6
5
3
1
VOUT SUB D+3.0V
VIN
VSSCE
(SD_CTL_L_3.1V)
GPIO145
B18
(SD_CTL_L_1.8V)
GPIO192
D22
VDD
(TO P6501-4A,4B)
PW SD+3.1V
PW SD+31V 18V
UNREG
IC6501
(REGULATOR)
3
2
1
4
VOUT
VDD
GNDCE
D4
+
-
RID
BLOCK
PORT
DETECTION
CONTROL
LOGIC
INPUT
CURRENT
LIMIT
BOOST-
CHARGER
CONTROLLER
I2C
I/F
IBS
SW
SW
EOC
CURRENT
SENSE
WAKE-UP
CHARGING
DRIVER
SW
QR1508
RID
DM
C6
B6
DP
A6
DD ON
D3
SCL
E6
SDA
D6
AF16
AG16
BOOTMODE5
T20
(UART0_TXD)
UARTO TXD
J1
Q1505
PW HDMI +15.0V
4
6
5
7
10
2
12
(IN1)
14
(USB_DP)
22
(IN2)
15
(USB_DM)
21
(BAT_D)
8
(HT_ST)
6
(USB_OK)
27
(ISENS)
(BAT_ON)
(I2C_SCL)
3
(I2C_SDA)
2
(DD_ON)
25
1
11
30
PB2
16
(CTD_CHG LED)
PB3
26
PB5
28
PA6
12
3
2
1
6
4
5
Q1502
CL6501
3 2
1
6
4
5
Q6501
QR6501
QR6502
B1
B2
A2

Table of Contents

Related product manuals