EasyManua.ls Logo

Panasonic DMC-TZ80EB - Power (2) Block Diagram

Panasonic DMC-TZ80EB
61 pages
Print Icon
To Next Page IconTo Next Page
To Next Page IconTo Next Page
To Previous Page IconTo Previous Page
To Previous Page IconTo Previous Page
Loading...
58
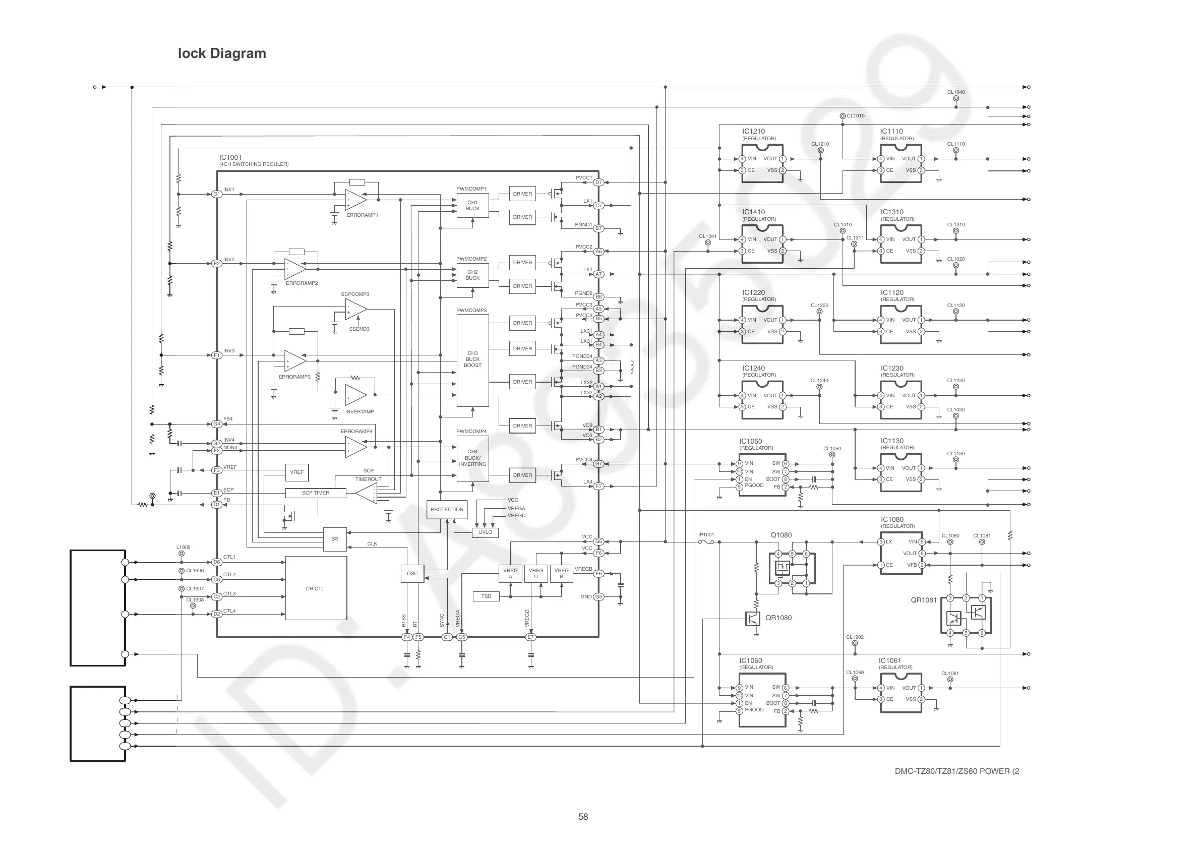
12.6. Power (2) Block Diagram
IC1001
(4CH SWITCHING REGULER)
UNREG
SCPCOMP3
SSEND3
INVERTAMP
-
+
+
G1
D7
C7
B7
PWMCOMP1
CH1
BUCK
DRIVER
A6
A7
B6
A5
B5
A4
B4
A3
B3
G7
F6
E6
G3
UVLO
VREG
B
VREG
D
VREG
A
TSD
OSC
CH CTL
RTSS
SYNC
VREGA
VREGD
RT
VREF
SS
SCP TIMER
A1
A2
B1
B2
F7
PWMCOMP2
CH2
BUCK
PWMCOMP4
CH4
BUCK/
INVERTING
PWMCOMP3
CH3
BUCK
BOOST
IC1502
(SUB MICROCOMPUTER)
(LCD_BL_CTL)
(LCD_BL_PWM)
(EVF3R3V_CTL)
(LCD3R1V_CTL)
(LEN5R2V_CTL)
(POW_CTL_1)
(POW_CTL_4)
(POW_CTL_3)
(POW_CTL_2)
IC6001
(VENUS ENGINE)
32
19
20
18
P7
B13
G13
P6
A13
GPIO38
GPIO105
GPIO110
GPIO37
GPIO104
-
+
+
ERRORAMP2
INV1
INV2
INV3
INV4
NON4
VREF
SCP
CTL1
CTL2
CTL3
CTL4
PB
FB4
ERRORAMP1
PVCC1
LX1
PGND1
PVCC2
LX2
PGND2
PVCC3
VCC
VCC
VREGB
GND
PVCC3
LX31
LX31
PGND34
PGND34
LX32
LX32
VO3
VO3
PVCC4
LX4
-
+
+
ERRORAMP3
ERRORAMP4
TIMEROUT
CLK
SCP
-
+
D6
D1
C6
C2
D2
CL1905
CL1908
CL1906
PB8
PA10
PA 8
PA 9
CL1907
E2
F1
G2
F2
F4 F5 C1 G5 E7
E1
F3
PROTECTION
VCC
VREGA
VREGD
G4
4 VIN
IC1210
(REGULATOR)
IC1110
(REGULATOR)
3CE
VOUT
VSS 2
1
4 VIN
IC1410
(REGULATOR)
3CE
VOUT
VSS 2
1
4 VIN
IC1220
(REGULATOR)
3CE
VOUT
VSS 2
1
IC1050
(REGULATOR)
6
7
8
2
9
10
1
5
4 VIN
3CE
VOUT
VSS 2
1
4 VIN
IC1310
(REGULATOR)
3CE
VOUT
VSS 2
1
4 VIN
IC1120
(REGULATOR)
3CE
VOUT
VSS 2
1
4 VIN
IC1130
(REGULATOR)
3CE
VOUT
VSS 2
1
4 VIN
IC1061
(REGULATOR)
3CE
VOUT
VSS 2
1
4 VIN
IC1230
(REGULATOR)
3CE
VOUT
VSS 2
14 VIN
IC1240
(REGULATOR)
3CE
VOUT
VSS
VIN SW
VIN SW
EN BOOT
2
1
PGOOD
IP1001
FB
CL1240
CL1050
CL1220
CL1410
CL1311
CL1210 CL1110
CL1310
CL1020
CL1120
CL1230
CL1130
CL1061
CL1030
CL1010
CL1040
UNREG
PW DRAM+1.22V
PW REF+1.22V
PW D+3.6V
PW A+3.1V
PW GYRO+3.1V
PW SE+2.9V
PW EVF+3.3V
PW LCD+3.1V
PW D+3.1V
PW SD+3.1V
PW D+1.8V
PW A+1.8V
PW SE+1.8V
PW EVF+1.8V
PW LEN+5.2V
PW HDMI+5.0V
PW D+1.0V
PW D+1.0V A
PW DRAM+1.0V
PW BL PLUS
PW BL MINUS
UREREG SYS
PW SE+1.2V
PW DRAM+1.8V
CL1060
IC1060
(REGULATOR)
6
7
8
2
9
10
1
5
VIN SW
VIN SW
EN BOOT
PGOOD
FB
IC1080
QR1081
Q1080
QR1080
(REGULATOR)
5
6
2
3
1
LX VIN
VOUT
CE VFB
654
132
123
645
G6
CL1080 CL1081
CL1904
CL1902
-
+
-
+
-
-
-
-
+
DRIVER
DRIVER
DRIVER
DRIVER
DRIVER
DRIVER
DRIVER
CL1041
DMC-TZ80/TZ81/ZS60 POWER (2) BLOCK DIAGRAM
DRIVER

Table of Contents

Related product manuals