EasyManua.ls Logo

Panasonic DMR-E75VP - Page 234

Panasonic DMR-E75VP
235 pages
Print Icon
To Next Page IconTo Next Page
To Next Page IconTo Next Page
To Previous Page IconTo Previous Page
To Previous Page IconTo Previous Page
Loading...
< REG.5V >
< ANA 5V >
< ANA 5V >
< REG.5V >
< REG.5V >
< REG.5V >< REG.5V >
F
E
D
C
AA
B
C
D
E
F
A41A25A26A7
0
K3016
B17B16B32B29B2B34B33B28B9B11B10
0.1
C3050
A1
A2
A3
A4
A5
A6
A8
B22
B1
68u
L3004
3300
R3022
27u
L3003
VIDEO ENVE
0.1
C3074
0.1
C3006
1
C3007
270u
L3002
22P
C3005
0.01
C4013
L4001
REG.5V
68u
L5001
2414 1513 1816 17 19 20 21 22 23
(5V)
LC-VCO
(5V)
C VCC
HEAD SW
CTL
VCC(5V)
CCD
GND
CCD
(5V)
Y-VCC
(5V)
VCC
CCD
(5V)
VCC
CCD
LOGIC
(VIDEO/NORMAL AUDIO PROCESSOR)
VCC(5V)
P/R
GND
P/R
VCC(5V)
AUDIO
GND
A-
6V47
C3012
0.1
C3011
35V10
C3021
0.01
C3041
22K
R4012
15K
R4011
C1AB00001838
IC3001
35V10
C4017
35V10
C4019
6200
R3002
1500
R3001
150P
C3001
0.1
C3002
0.1
C3003
3900
R3032
1
C3048
50V4.7
C3008
1
C3009
1
C3010
0.1
C3014
1
C3015
0.1
C3017
0.1
C3019
50V3.3
C3020
0.01
C3023
330P
C3024
0.01
C3025
C3036 6V47
C3037 0.1
0.01
C3040
50V1
C3039
4P
C3038
12u
L3006
0.1
C3033
50V4.7
C3032
1K
R3014
50V2.2
C3034
C3035 4700P
(3.58MHz)
H0D357400067
X3002
0.033
C3031
10K
R3013
50V0.47
C3029
0.022
C3030
50V4.7
C3028
TW3001
15K
R3009
C5007 0.1
6V100
C5006
0.1
C5005
2200
R3035
0.01
C5004
0.01
C5003
0.01
C5002
0.01
C5001
1800P
C4004
15K
R4003
R4008 330K
0.01
C4011
50V4.7
C4012
10K
R4007
6V33
C4009
270
R4004
1800P
C4007
50V3.3
C4008
15K
R4006
50V4.7
C4006
6V22
C4005
6.8M
R3030
CONTROL
MODE
C-ACC
R
P
EP1
EP2
EP1
EP2
EXT
INT
SQPB
SQPB
CCD SECTION
GND
SVHS+L-SECAM
SVHS+L-SECAM
P
R
EP ON
REC ON
PREAMP
SP ON
CH1
CH2
VCA
SP1
SP2
SP1
SP2
R
P
CH1
CH2
EP
SP
INT
EXT
R
P
R
P
P
R
P
R
ATP
R
R
P
SQPB
SQPB
DO/REC
DO
C-ACC
TRAP
FEC
R
P
P
R
SD
SD
PR
RP
R
P
R
P
PR
R
P
P
R
GCL
SYNC
CLEAR
LCH
SQUE-
V-AMP
ADD
PILOT
BPF
B.D
ERASE
PILOT
TRAP
629
-10dB
ATT
-10dB
ATT
-10dB
ATT
-6dB
ATT
-4dB
ATT
VIDEO AGC
PC
ET LPF DEH
EMPH
N.L.
HP-NC
TRAP-NC
Y-LPF
+SSEQ
DELAY
SECAM
EQ
SQPB
DE-EMPH
N.L
YNR
VIDEO ALC
CLAMP
FEED BACK
S-DET
DET
DO
LPF
SUB
DEMO
DLIM
G-EQ
DET
AGC
FM
P-EQ
DELAY
PB AGC+APL
REC FBC+ALC
DE EMPHASIS
MAIN
FILTER
REC
FM MOD
FO/DEVADJ
W.C/D.C
CARRIER OFFSET
MAIN EMPHASIS
GCL
GCL
LPF
C-CCD
Y-CCD
DRIVER
CLOCK
SW
APC
+
+
HPF
2MLPF
ACC
CTL TRAP
FH HPF
HiFi TRAP
REC TRAP
DELAY
C-D
DELAY
MPAL
4.43PAL
B.E
ADJUST
MIX LEVEL
ACC
CHROMA
C.K
+
CLPF1
CONV1
MAIN
4PHASE
CLPF2
CONV2
MAIN
LPF
CCD
L-DET
VCA
ACC DET
CHROMA
SW
ACC
LCVCO
CONV
DOWN
2FSC
AFC
REC
APC
PB
DET
ACC
DISCRI
CONT
CCD
VCO/OSC
X-TAL
APC
REC
KILLER
MUTE
REC
VCA
DET
EQ
REC
TRAP
FH
GAP
BAND
CR DET
HPFENVDET
DETECTOR
LEVEL
COLOR
73 72 71 70 69 68 67 66 65 64 63 62 61 60 59 58 57 56 55 54 53 52 51
50
49
48
47
46
45
44
43
42
41
40
39
38
37
36
35
34
33
32
31
30292827262524232221201918171615141312111098
74757677787980
7654321
100
99
98
97
96
95
94
93
92
91
90
89
88
87
86
85
84
83
82
81
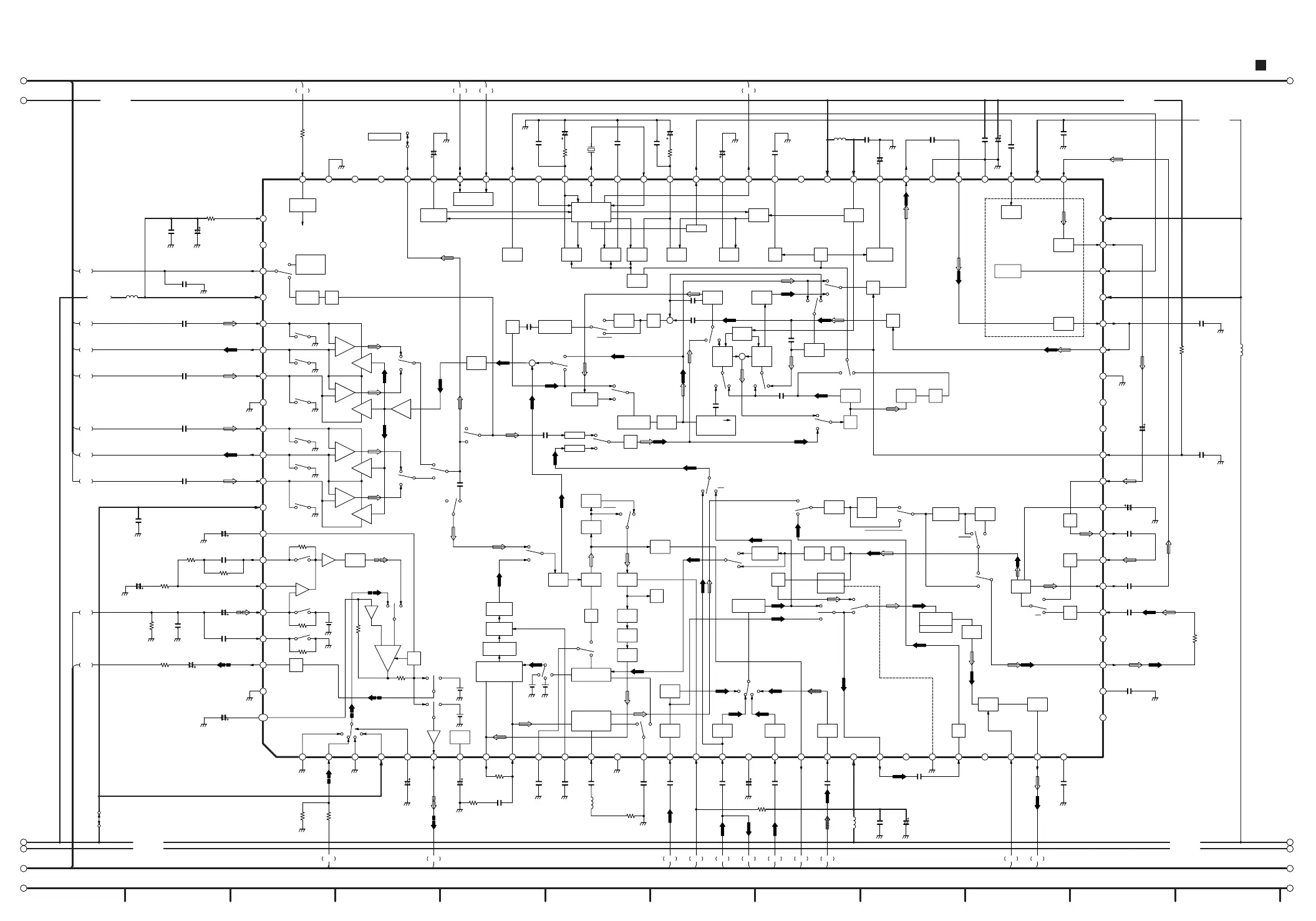
DMR-E75VP Video Section (Main P.C.B.(3/3)) Schematic Diagram (V)DMR-E75VP Video Section (Main P.C.B.(3/3)) Schematic Diagram (V)
E

Related product manuals