EasyManua.ls Logo

Panasonic EP790-C1 - Removing the Motor

Panasonic EP790-C1
96 pages
Print Icon
To Next Page IconTo Next Page
To Next Page IconTo Next Page
To Previous Page IconTo Previous Page
To Previous Page IconTo Previous Page
Loading...
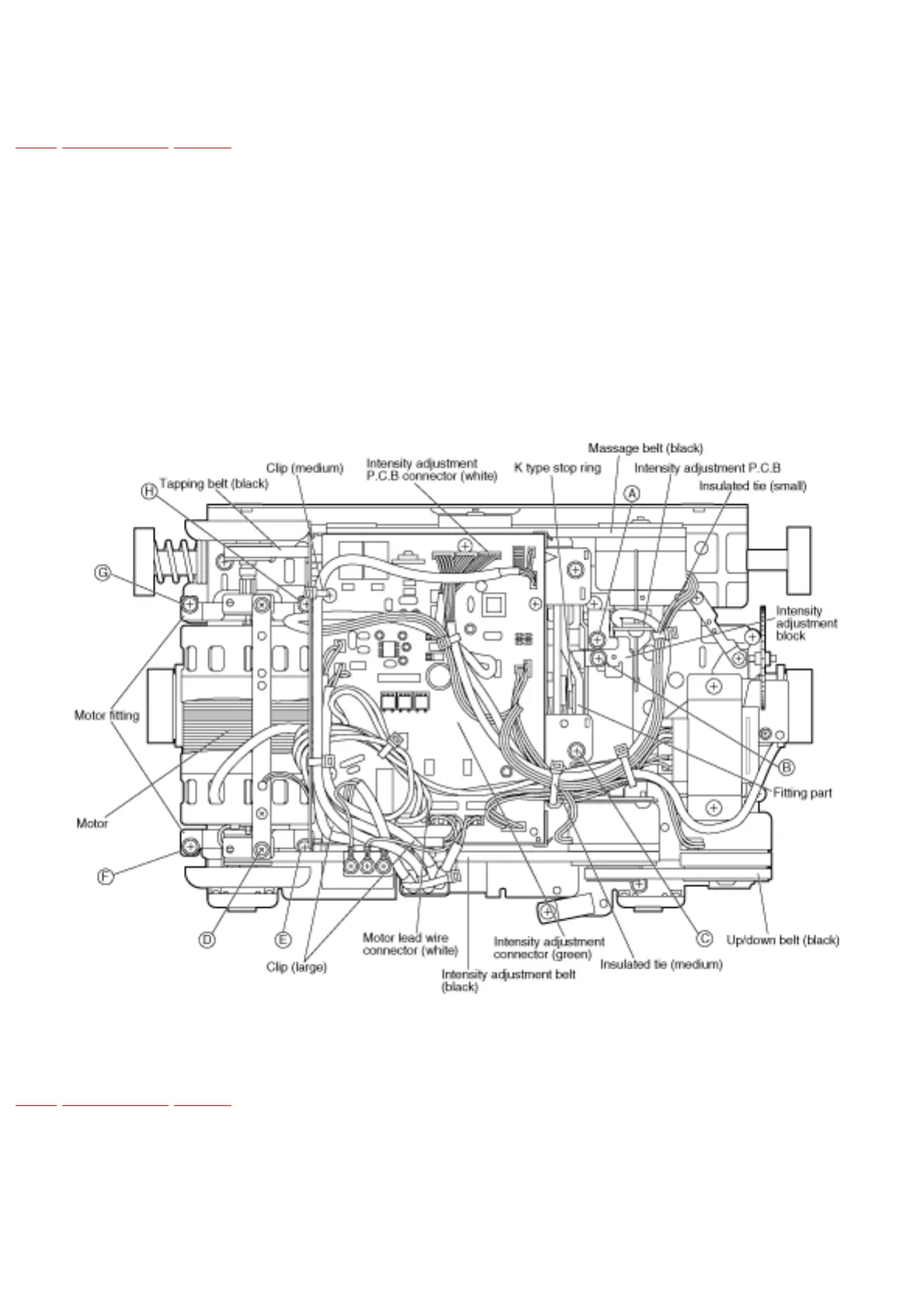
15.2 Removing the motor
TOP PREVIOUS NEXT
1. Remove the motor lead wire bundle from the clip (large), and remove the motor lead wire
connector(white).
2. Remove the massage belt, tapping belt and intensity adjustment belt.
3. Remove the motor ground wire set screw D
4. Remove the motor fitting set screw E to H, and remove the motor.
•@
TOP PREVIOUS NEXT