EasyManua.ls Logo

Panasonic EU6441-U1 - Diagram of Main PCB

Panasonic EU6441-U1
19 pages
Print Icon
To Next Page IconTo Next Page
To Next Page IconTo Next Page
To Previous Page IconTo Previous Page
To Previous Page IconTo Previous Page
Loading...
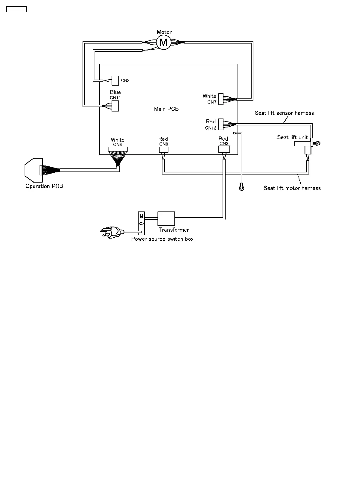
1 DIAGRAM OF MAIN PCB
2
EU6441-U1

Related product manuals