EasyManua.ls Logo

Panasonic FPG-PP22 - Positioning Operations with a Single-Speed Inverter

Panasonic FPG-PP22
332 pages
Print Icon
To Next Page IconTo Next Page
To Next Page IconTo Next Page
To Previous Page IconTo Previous Page
To Previous Page IconTo Previous Page
Loading...
High-Speed Counter and Pulse Output
FPΣ User's Manual
116
After you have changed the PLC type, a message appears: "Adapt System Registers and
Compile Options?" Select [Adapt automatically], so that you do not lose the system register
settings set in the programming example.
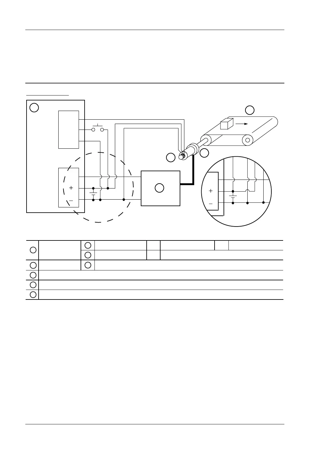
7.3.5.1 Positioning Operations with a Single-Speed Inverter
Wiring example
Y0
X0
X5
COM
CO M
A
B
C
D
E
Y0
PNP
NPN
1
Input terminal X0 Encoder input X5 Operation start
A
PLC
2
Output terminal Y0 Inverter operation
B
Inverter
3
Operation/stop
C
Encoder
D
Motor
E
Conveyor
When X5 turns to TRUE, Y0 turns to TRUE and the conveyor starts to move. When the
elapsed value (sys_diHscChannel0ElapsedValue) reaches 5000, Y0 turns to FALSE and the
conveyor stops.

Table of Contents

Other manuals for Panasonic FPG-PP22

Related product manuals