EasyManua.ls Logo

Panasonic KX-B620 - Page 65

Panasonic KX-B620
75 pages
Print Icon
To Next Page IconTo Next Page
To Next Page IconTo Next Page
To Previous Page IconTo Previous Page
To Previous Page IconTo Previous Page
Loading...
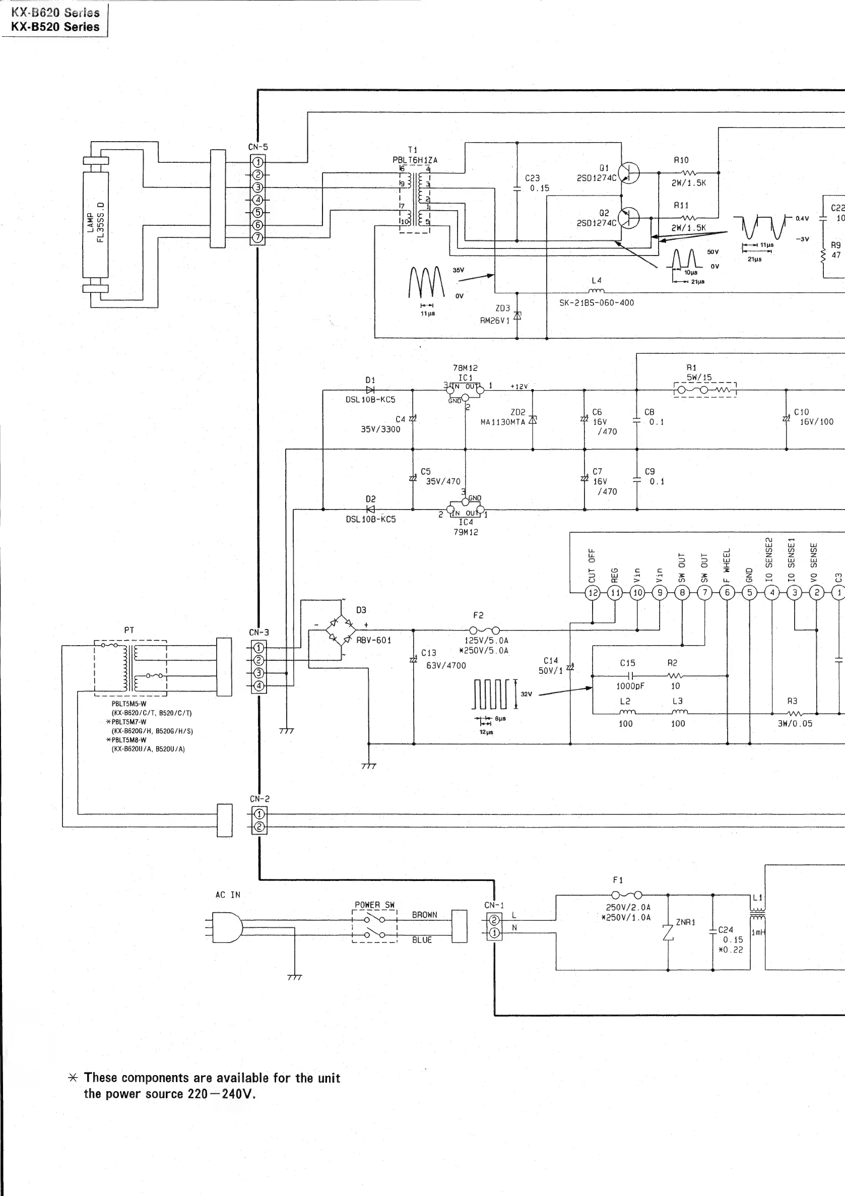
KX-B620
Series
KX-B520
Series
R10
oS
a7
2H/
1.5K
ae
a
Ril
C22
0.4V
10
2801274C\4_/
|
OW/1.5K
\
|
\
|
-3
50V
fee
we
i
ont
ts
©
ing
re
ee
fj
aaa
aus
47
ov
10ps
La
ae
oe
Z03
LAMP
FL35SS
.D
SK-21BS-060-400
Amesv1
&
Di
IC
SW/15
7
1
+12V
AU
ANA:
q
oSLioB-Kc5S.
|
©§§
&Om
2
fo
eer
C6
C8
C10
MA1130MTA
QA
“2
16V
0.1
4t
46V/100
35V/3300
4470
c5
C7
cg
Zl
35V/470
“2
46V
0.1
a
J
ono
/470
sar
Qn
uh}
DSL
10B-KC5
C4
79M12
fev)
_
uJ
we}
iW
w
w
wo
Zz
z z
WwW
uu
Wd
wo wm
w
Q
z
fo) fe)
oO
~m
o
Hi
HH
>
oO
:
(SHAH
3)
HAHA
Fe
6)
©
125V/5.0A
C413
¥250V/5.0A
C414
63V/4700
50v/4
%
{O00pF
32V
PBLTSM5-W
Le
(KX-B620/C/T,
B520/G/T)
¥PBLTSM7-W
ba
a
3W/0.05
(KX-B620G/H,
B520G/H/S)
t2ps
%PBLT5M8-W
(KX-B620U/A,
B520U/A)
CN-2
AC
IN
POWER
SW
250V/2.0A
¥250V/1.0A
*
These
components
are
available
for
the
unit
the
power
source
220
—240V.

Related product manuals