EasyManua.ls Logo

Panasonic KX-B620 - Page 66

Panasonic KX-B620
75 pages
Print Icon
To Next Page IconTo Next Page
To Next Page IconTo Next Page
To Previous Page IconTo Previous Page
To Previous Page IconTo Previous Page
Loading...
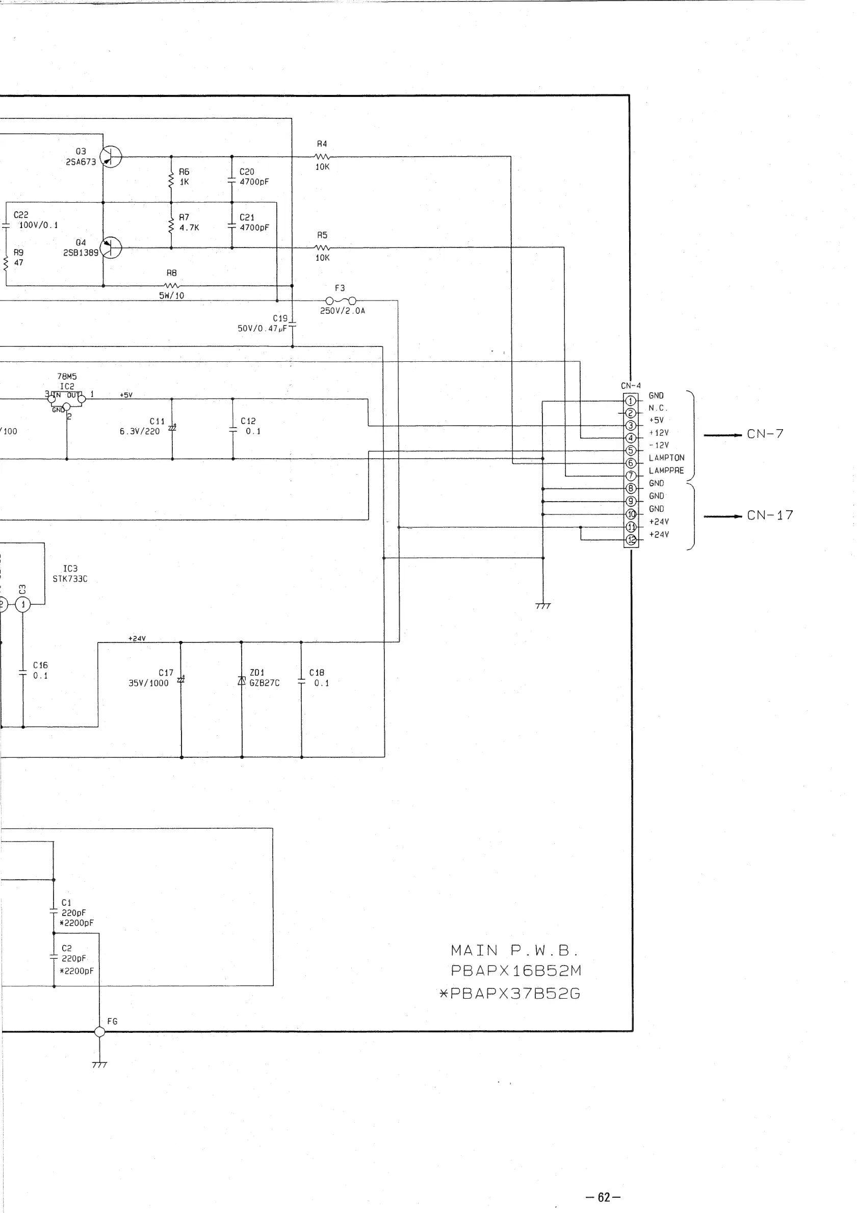
250V/2.0A
Q3
on
254673
\#1_/
10K
C20
4700pF
Cee
ce4
400V/0.4
:
4700pF
R5
;
G4
ja
RQ
25B1389\4
/
ioe
47
5W/10
||
C19
50V/0.47uF
78M5
ICc2
yp
+5V
Seu
6
GNA
e
Ci
C12
‘100
6.3V/220
“&
0.1
|
|
Ic3
}
STK733C
(~)c3
+24V
C16
04
C17
ZD1
35v/1000
JN
6ZB27C
ci
220pF
¥2200pF
|
Ce
|
220pF
|
*2200pF
CN-
a
SOSOOGO9SGOO
MEATS:
Pe
soE3.
3
PBAPXIOBoOeM
APBAP
AS
/BoecG
<e
62—-
GND
INE:
+5V
*4eV
a
CN-7
-t2V
LAMPTON
LAMPPRE
GND
GND
GND
+24V
+24V
——
CN-17

Related product manuals