EasyManua.ls Logo

Panasonic MDDLN55SE - Wiring Precautions (Sizes C, D)

Panasonic MDDLN55SE
69 pages
Print Icon
To Next Page IconTo Next Page
To Next Page IconTo Next Page
To Previous Page IconTo Previous Page
To Previous Page IconTo Previous Page
Loading...
No. SX-DSV03015 - 37 -
Motor Business Unit, Panasonic Corporation
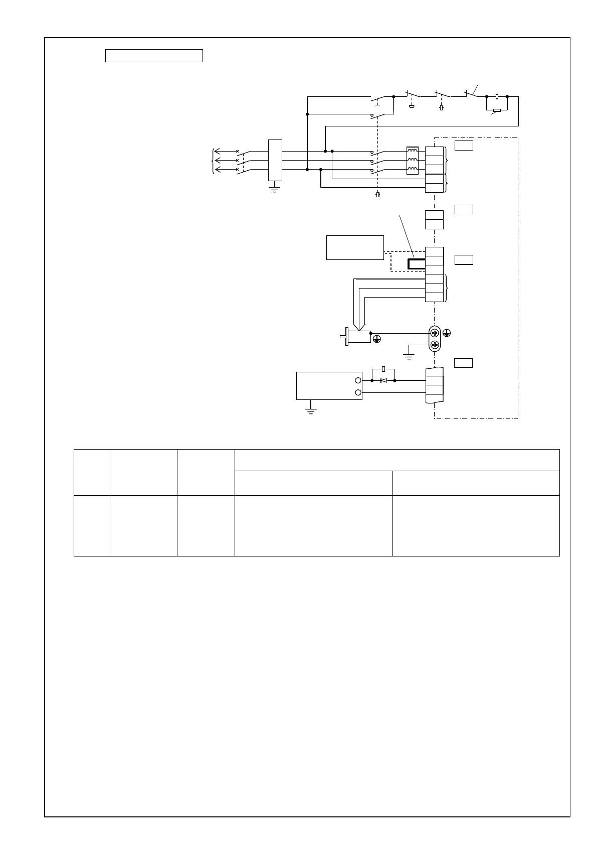
100/ 200 V sizes C - D
L1
L2
L3
L
ON
MC1
OFF
ALM
L1C
L2C
P
MC
U
V
W
motor
ALM+
ALM-
ALM
MCCB
37
36
B
Red
White
Black
+
-
N
XA
XC
X4
XB
RB
P
Short cable
Power supply
(3-phase)
*When you use single phase,
connect the main power
between L1 and L3 terminals.
Noise filter
Built-in thermostat of an external
regenerative resistor (light yellow)
Coli surge suppression units
Main power
supply
Control power
supply
External
regenerative
resistor
Motor
connection
Green or
Green/Yellow
Insulated
DC12 to 24 V
(±5 %)
■Connection of regenerative resistor
Size
Shorting
cable
(Accessories)
Internal
regenerative
resistor
Connection of the connector XB
In case of using the external
regenerative resistor
In case of not using the external
regenerative resistor
C
D
Supplied Installed
Between RB and B:
Disconnect the short cable
Between P and B:
Connect the external
regenerative resistor
Between RB and B:
Connect the shorting cable
- The circuit connected to terminal X1 X6 are secondary circuits.
Insulation is needed against the primary side power supply (power supply of the motor brake).
Please do not connect them with the same power supply.

Related product manuals