EasyManua.ls Logo

Panasonic NV-DS50A - LCD Block Diagram

Panasonic NV-DS50A
133 pages
Print Icon
To Next Page IconTo Next Page
To Next Page IconTo Next Page
To Previous Page IconTo Previous Page
To Previous Page IconTo Previous Page
Loading...
9
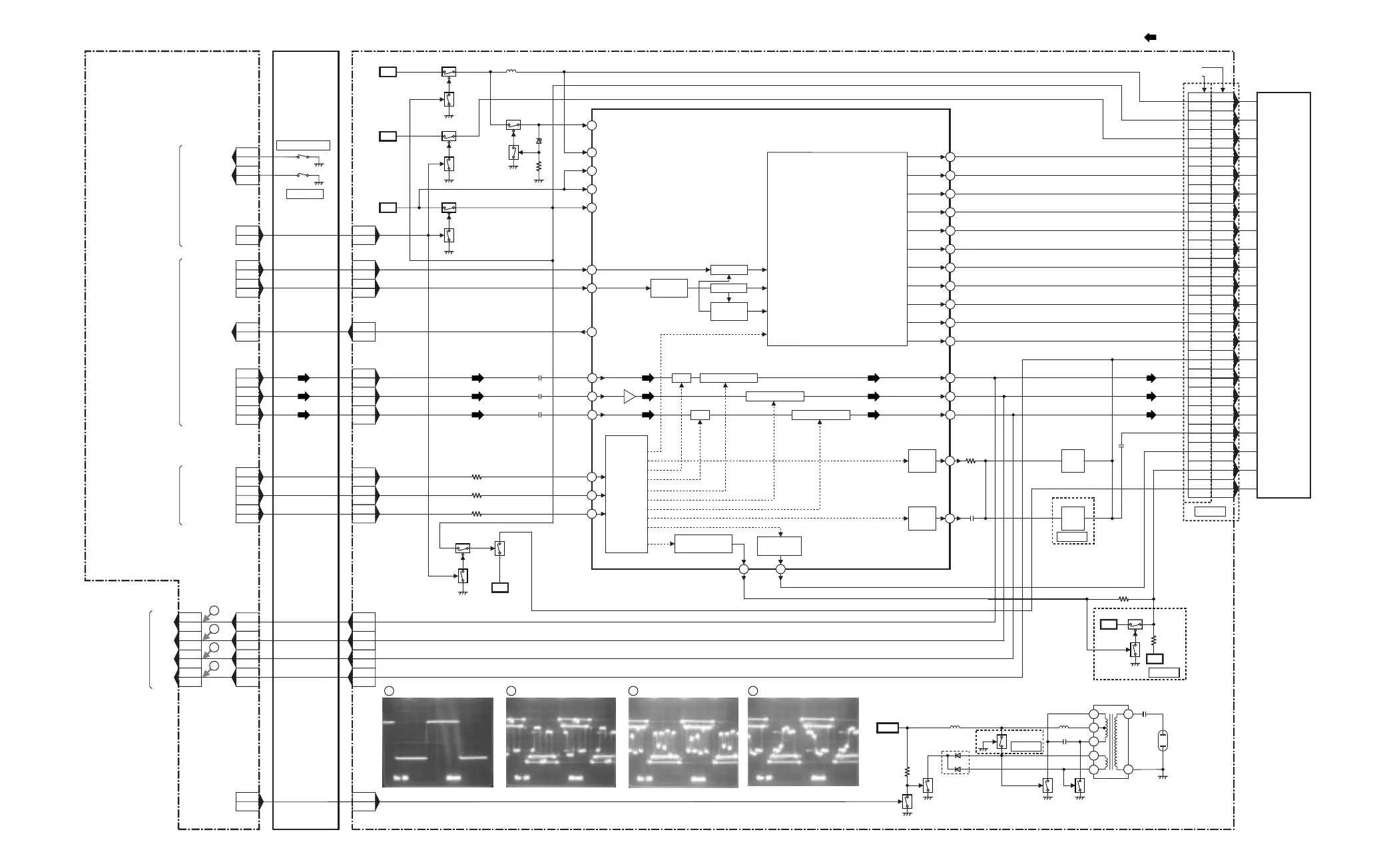
LCD BLOCK DIAGRAM
VIDEO SIGNAL (REC & PB)
LCD C.B.A.
OEH
STH2
STH1
CPH3
CPH2
CPH1
OEV
STV2
STV1
CPV
QH
R
G
B
FP8003
15
FP8003
10
FP8003
16
FP8003
17
FP8003
1
FP8003
13
FP8003
4
FP8003
2
GCA
GCA R SIGNAL PROCESS
G SIGNAL PROCESS
B SIGNAL PROCESS
REVERSE(UP/DOWN)
CONTROL
REVERSE(L/R)
CONTROL
R8008
R8009
R8010
47
48
1
24
26
25
21
22
23
33
31
30
32
34
FP8003
22
FP8003
5
FP8003
3
FP8003
7
FP8003
6
FP8003
21
FP8003
20
FP8003
19
FP8003
24
FP8003
12
FP8003
23
FP8003
11
FP8003
9
8
6
4
3
T8101
Q8105
Q8108
D8101
L8104 L8103
Q8107 Q8104
LAMP UNIT
IC8001 (LCD RGB SIGNAL PROCESS)
BL+5V
MAIN C.B.A. LCD SHAFT UNIT
46
41
45
H SYNC
SEPARATION
D8001
L8004
V SYNC
SEPARATION
H COUNTER
V COUNTER
FP8001
7
FP8001
9
FP8001
6
FP8001
5
FP8001
4
FP8001
3
FP8001
22
FP8001
21
FP8001
23
FP8001
18
FP7
20
FP7
17
FP8001
15
FP8001
14
FP8001
13
FP8001
16
B2
8
B2
7
B2
6
B2
19
FP7
16
FP7
15
FP7
18
FP7
6
FP7
7
FP7
5
FP7
24
FP7
25
FP7
23
FP7
8
FP7
9
FP7
11
FP8003
8
LCD PANEL UNIT
Q8002
Q8001
Q8006
Q8005
Q8004
Q8003
Q8008
Q8007
+12V
+5V
+3V
2
43
29
+7.5V
VCC(+3V)
42 VCC(+3V)
10 VCC(+12V)
VCC(+3V)
FRP
FP7
1
FP7
2
REVERSE/NORMAL
OPEN/CLOSE
TO/FROM
SYSTEM CONTROL
BLOCK DIAGRAM
TO/FROM VIDEO
SIGNAL PROCESS I
BLOCK DIAGRAM
FROM
SYSTEM CONTROL
BLOCK DIAGRAM
TO
MEASURING BOARD
(FOR EVR ADJUSTMENT)
(TO IC6001 (98))
LCD REVERSE (L)
(TO IC6001 (99))
LCD OPEN (L)
(FROM IC6001 (173))
LCD ON (H)
V-SYNC
LCD-R
LCD POL
LCD-G
LCD-B
LCD CS
LCD SERIAL
CLOCK
LCD SERIAL
DATA
LCD-R
LCD-G
LCD-B
LCD-
V-COM
(FROM IC6001 (172))
LCD BACKLIGHT
CONTROL
H-SYNC
V-COM AC
CONTROL
3635
C8002
C8003
C8004
38
39
40
Q8013
Q8015
+3V
-15V
Q8012,Q8014
19
V-COM DC
CONTROL
V-COM
DRIVE
Q8016,Q8017
V-COM
DRIVE
20
D/A
CONVERTER
Q8010
Q8011
Q8009
-15V
NOT USED
NOT USED
NOT USED
1
4 5
8
7
2
Q8106
FP7
13
FP8001
11
(WITH 2.5INCH LCD)
(WITH 3.5INCH LCD)
LCD DRIVE
OUTPUT
FP8002
9
FP8002
8
FP8002
11
FP8002
23
FP8002
12
FP8002
24
FP8002
19
FP8002
20
FP8002
21
FP8002
6
FP8002
7
FP8002
3
FP8002
5
FP8002
22
FP8002
10
FP8002
15
FP8002
16
FP8002
17
FP8002
1
FP8002
13
FP8002
4
FP8002
2
A
D
C
B
A DCB
NOT USED
LCD BLOCK DIAGRAM
NV-DS29EG/NV-DS29EGM/NV-DS29B/NV-DS29EGE/NV-DS30EG/NV-DS30EGM/NV-DS30B/NV-DS30EGE/NV-DS30EN/NV-DS30ENT/NV-DS30ENC/NV-DS30A/NV-DS50EN/NV-DS50ENT/NV-DS50A